Snapper WO1-180V - 6.5 HP OHV Robin Engine, 4-Cycle Fuel And Lubricant (Part I) Ersatzteile
Fuel And Lubricant (Part I) WO1-180V - Snapper 6.5 HP OHV Robin Engine, 4-Cycle

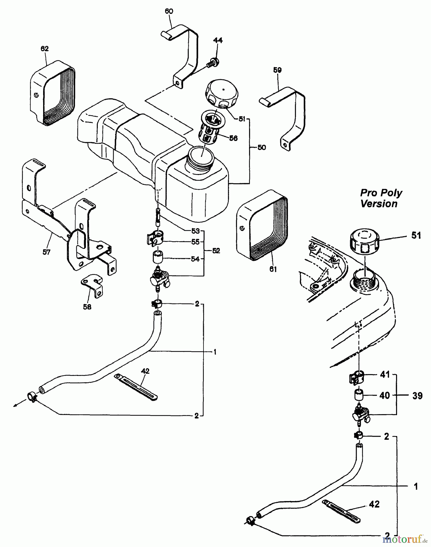
Hier finden Sie die Ersatzteilzeichnung für Snapper Motoren WO1-180V - Snapper 6.5 HP OHV Robin Engine, 4-Cycle Fuel And Lubricant (Part I). Wählen Sie das benötigte Ersatzteil aus der Ersatzteilliste Ihres Snapper Gerätes aus und bestellen Sie einfach online. Viele Snapper Ersatzteile halten wir ständig in unserem Lager für Sie bereit.



