Snapper WO1-180V - 6.5 HP OHV Robin Engine, 4-Cycle Electrical Device Ersatzteile
Electrical Device WO1-180V - Snapper 6.5 HP OHV Robin Engine, 4-Cycle

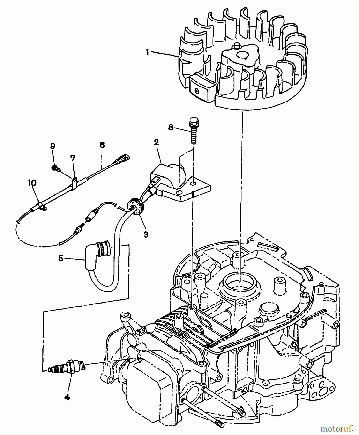
Hier finden Sie die Ersatzteilzeichnung für Snapper Motoren WO1-180V - Snapper 6.5 HP OHV Robin Engine, 4-Cycle Electrical Device. Wählen Sie das benötigte Ersatzteil aus der Ersatzteilliste Ihres Snapper Gerätes aus und bestellen Sie einfach online. Viele Snapper Ersatzteile halten wir ständig in unserem Lager für Sie bereit.


Qualitätsmanagement
Informieren Sie uns, wenn Sie einen Fehler gefunden haben.

