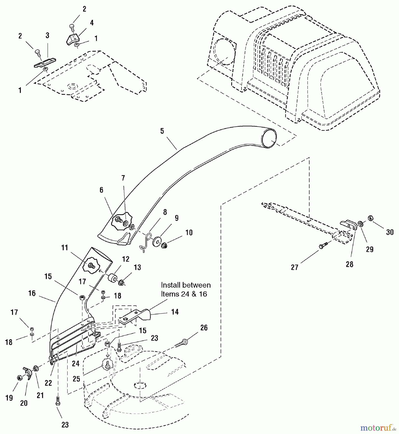
Snapper 1692149 - 30" Clean Sweep Twin Grass Catcher Adapter, Blade & Tube Group (984489) Ersatzteile
Adapter, Blade & Tube Group (984489) 1692149 - Snapper 30" Clean Sweep Twin Grass Catcher

Hier finden Sie die Ersatzteilzeichnung für Snapper Zubehör. Rasenmäher 1692149 - Snapper 30" Clean Sweep Twin Grass Catcher Adapter, Blade & Tube Group (984489). Wählen Sie das benötigte Ersatzteil aus der Ersatzteilliste Ihres Snapper Gerätes aus und bestellen Sie einfach online. Viele Snapper Ersatzteile halten wir ständig in unserem Lager für Sie bereit.


Qualitätsmanagement
Informieren Sie uns, wenn Sie einen Fehler gefunden haben.

