Murray 629118x0A - B&S/ 29" Dual Stage Snow Thrower (2003) (Northern Tool) Engine Ersatzteile
Engine 629118x0A - B&S/Murray 29" Dual Stage Snow Thrower (2003) (Northern Tool)

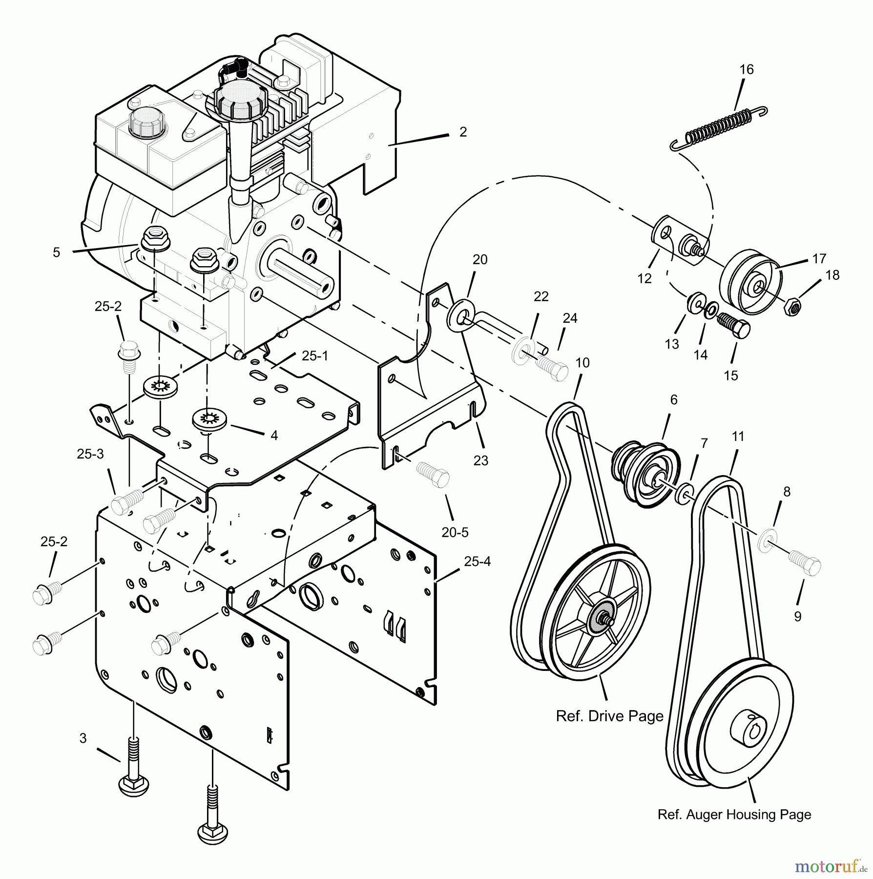
Hier finden Sie die Ersatzteilzeichnung für Murray Schneefräsen 629118x0A - B&S/Murray 29" Dual Stage Snow Thrower (2003) (Northern Tool) Engine. Wählen Sie das benötigte Ersatzteil aus der Ersatzteilliste Ihres Murray Gerätes aus und bestellen Sie einfach online. Viele Murray Ersatzteile halten wir ständig in unserem Lager für Sie bereit.



