Einstellungen Computer

Murray 309000x31A - Scotts 30" Mid-Engine Rider (2003) (Home Depot) Motion Drive Ersatzteile

Motion Drive 309000x31A - Scotts 30" Mid-Engine Rider (2003) (Home Depot)

 Murray Reitermäher 309000x31A - Scotts 30

Hier finden Sie die Ersatzteilzeichnung für Murray Reitermäher 309000x31A - Scotts 30" Mid-Engine Rider (2003) (Home Depot) Motion Drive. Wählen Sie das benötigte Ersatzteil aus der Ersatzteilliste Ihres Murray Gerätes aus und bestellen Sie einfach online. Viele Murray Ersatzteile halten wir ständig in unserem Lager für Sie bereit.

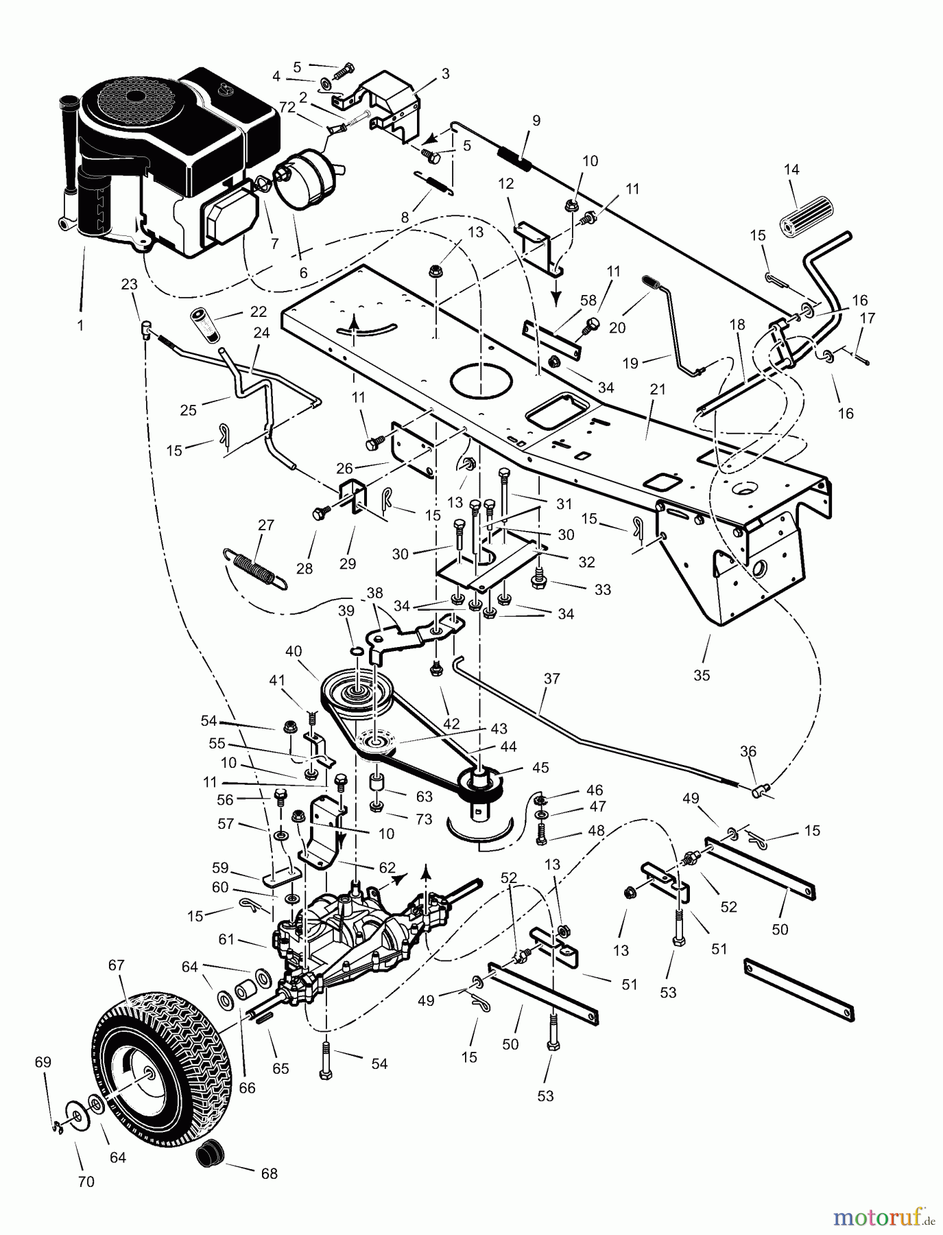
BildNrArtikel NummerBezeichnung
1 BSEingangswelle UE 600
2 BS01X134MABOLT-HEX.31-18X4.12 O
3 BS1401207
4 BS018X32MAWASHER.25.48X.07 SPLI
5 BS0025X2MASCREW-TRI.25-20X .50
6 BS1401251MASCHALLDAEMPFER & ABGASROHR
7 BS692236AUSPUFFDICHTUNG
8 BS165X75MASPRING,EXTENSION
9 BS165X148MAFEDERHEBEL
10 Murray NUT,CENTERLOCK  Z  .3BS015X88MANUT,CENTERLOCK Z .3
11 BS26X249MASCREW-.312-18X.75
12 BS1401268
13 BS015X84MAMUTTER, CENTERLOCK .38-
14 BS021544MACLUTCH & BRAKE PEDAL
15 BS030X20MAPIN-COTTER.09D-.750L
16 BS017X53MAWASHER.41.82 16G FLT
17 BS030X20MAPIN-COTTER.09D-.750L
18 BS1401127E701MAWS ASM. PEDAL C/B
19 BS1401112MAGRIFF, FESTSTELLBREMSE
20 BS91079
21 BS1401029E701
22 BS092697MAGRIP - .50 ID - BLACK
23 BS1401148ZMAEINSTELLMUTTER
24 BS1401122MALINK, DRIVE
25 BS1401111MASCHALTHEBEL
26 BS1401032
27 BS165X147MASPRING, EXT
28 BS009X39MAANSATZBOLZEN .38-16 X .
29 BS1401043
30 BS1401104MAFUHRUNG ANTRIEBSRIEMEN KURZ
31 BS1401105MAGUIDE, BELT LONG
32 BS1401057
33 BS0025X7MAMOTORBOLZEN 3/8 X 1.25
34 BS015X79MANUT.31-18 FLANGELOCK
35 BS1401059
36 BS94815
37 BS1401078MAKUPPLUNGSSTANGE
38 BS1401128
39 BS0011X7MASPRENGRING/SEEGERRING.625D.035
40 BS1401077MARIEMENSCHEIBE, 5.44 DIA. FLA
41 BS002X53MABOLT,CRG .31-18 X 0.
42 BS009X39MAANSATZBOLZEN .38-16 X .
43 BS690410MAIDLER PULLEY - 3.0 DI
44 BS37X110MABELT, 4L MOTION DRIVE
45 BS1401066MAPULLEY,STACK SPLIT ST
46 BS019X35MAWASHER.43-0.74 X.04 S
47 BS17X170MAWASHER.46.97.25 FLAT
48 BS01X140MASECHSKANTBOLZEN.43-20X1.50 Z
49 BS17X102MAUNTERLEGSCHEIBE-MAHER
50 BS1401031E701MAARM HINTEN; RUCKARM
51 BS1401039
52 BS094067MAANSATZGEWINDESTIFT
53 BS01X155MABOLT-HEX.31-18X2.50 P
54 BS180087MASCHRAUBE
55 BS1401051E701MAKONSOLE,DREHMOMENT REACTO
56 BS01X145MABOLT,HEX.25-28X0.75 Z
57 BS17X180MAWASHER,ZINC
58 BS1401260E701MAVERSTARKUNGSBLECH
59 BS1401093
60 BS17X148MAUNTERLEGSCHEIBE.38 SQ 1. 16G F
61 BSEingangswelle UE 600
62 BS1401042
63 BS690369MASPACER 1/2'' TO 17 MM
64 BS17X160MAWASHER.76-1.2 16G FL
65 BS56534MA
66 BS1401103MASPACER, TRANSAXLE
67 BS1401120MAHINTERRAD 15"
68 Murray HUB CAPBS094618MAHUB CAP
69 BS0011X3MARING,E .750D .050T
70 BS17X195MAUNTERLEGSCHEIBE
72 BS092378MASCHRAUBENVERSCHLUSS 223016
73 BS015X43MANUT .31-18 ST OVERLOC
Rasen
Bankeinzug, MasterCard, Visa, American Express, PayPal, Nachnahme, Vorauskasse, Sofortüberweisung
Datenschutzerklärung Impressum
Qualitätsmanagement
Informieren Sie uns, wenn Sie einen Fehler gefunden haben.