Murray 525607x692B - Stanley 52" Lawn Tractor (2002) Hood & Grill Ersatzteile
Hood & Grill 525607x692B - Stanley 52" Lawn Tractor (2002)

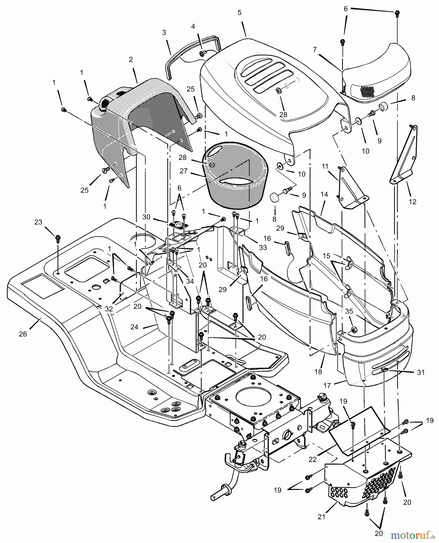
Hier finden Sie die Ersatzteilzeichnung für Murray Rasen- und Gartentraktoren 525607x692B - Stanley 52" Lawn Tractor (2002) Hood & Grill. Wählen Sie das benötigte Ersatzteil aus der Ersatzteilliste Ihres Murray Gerätes aus und bestellen Sie einfach online. Viele Murray Ersatzteile halten wir ständig in unserem Lager für Sie bereit.


Qualitätsmanagement
Informieren Sie uns, wenn Sie einen Fehler gefunden haben.

