Murray 46581x92B - B&S/ 46" Lawn Tractor (2001) (Walmart) Chassis & Hood Ersatzteile
Chassis & Hood 46581x92B - B&S/Murray 46" Lawn Tractor (2001) (Walmart)

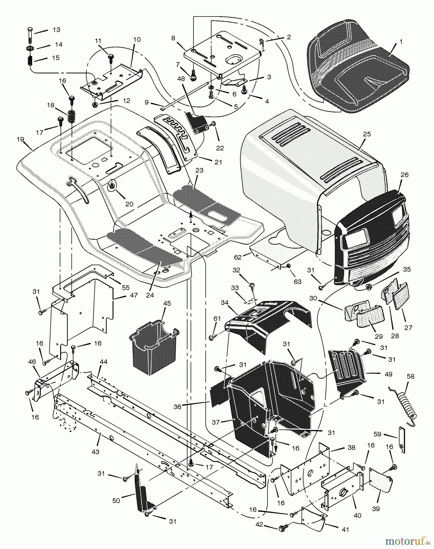
Hier finden Sie die Ersatzteilzeichnung für Murray Rasen- und Gartentraktoren 46581x92B - B&S/Murray 46" Lawn Tractor (2001) (Walmart) Chassis & Hood. Wählen Sie das benötigte Ersatzteil aus der Ersatzteilliste Ihres Murray Gerätes aus und bestellen Sie einfach online. Viele Murray Ersatzteile halten wir ständig in unserem Lager für Sie bereit.


Qualitätsmanagement
Informieren Sie uns, wenn Sie einen Fehler gefunden haben.


