Murray 465602x8A - Scotts 46" Lawn Tractor (2001) (Home Depot) Steering Ersatzteile
Steering 465602x8A - Scotts 46" Lawn Tractor (2001) (Home Depot)

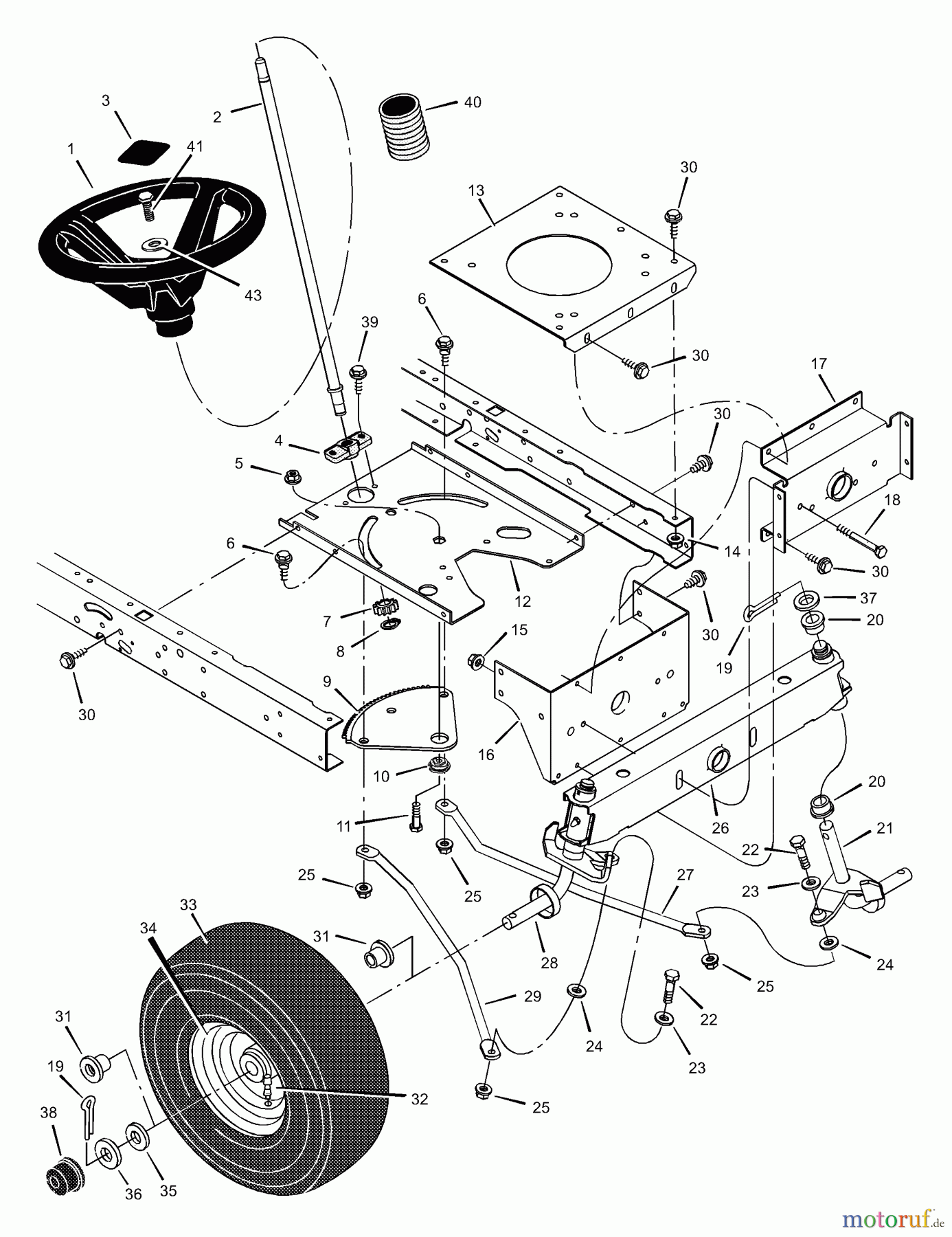
Hier finden Sie die Ersatzteilzeichnung für Murray Rasen- und Gartentraktoren 465602x8A - Scotts 46" Lawn Tractor (2001) (Home Depot) Steering. Wählen Sie das benötigte Ersatzteil aus der Ersatzteilliste Ihres Murray Gerätes aus und bestellen Sie einfach online. Viele Murray Ersatzteile halten wir ständig in unserem Lager für Sie bereit.


Qualitätsmanagement
Informieren Sie uns, wenn Sie einen Fehler gefunden haben.



