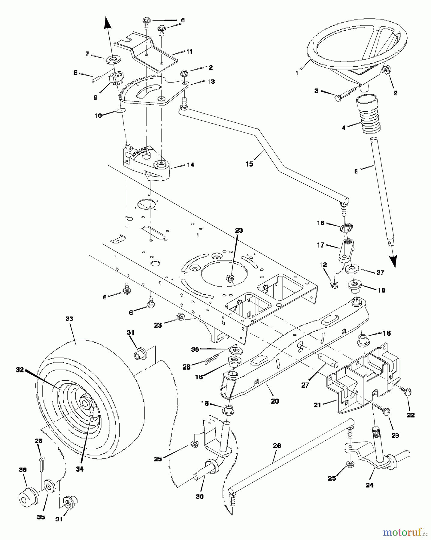
Murray 46378x6B - Ultra 46" Garden Tractor (1997) Steering Ersatzteile
Steering 46378x6B - Murray Ultra 46" Garden Tractor (1997)

Hier finden Sie die Ersatzteilzeichnung für Murray Rasen- und Gartentraktoren 46378x6B - Murray Ultra 46" Garden Tractor (1997) Steering. Wählen Sie das benötigte Ersatzteil aus der Ersatzteilliste Ihres Murray Gerätes aus und bestellen Sie einfach online. Viele Murray Ersatzteile halten wir ständig in unserem Lager für Sie bereit.


