Murray 46103x71A - B&S/ 46" Garden Tractor (1999) (Quality Stores) Front Frame Assembly Ersatzteile
Front Frame Assembly 46103x71A - B&S/Murray 46" Garden Tractor (1999) (Quality Stores)

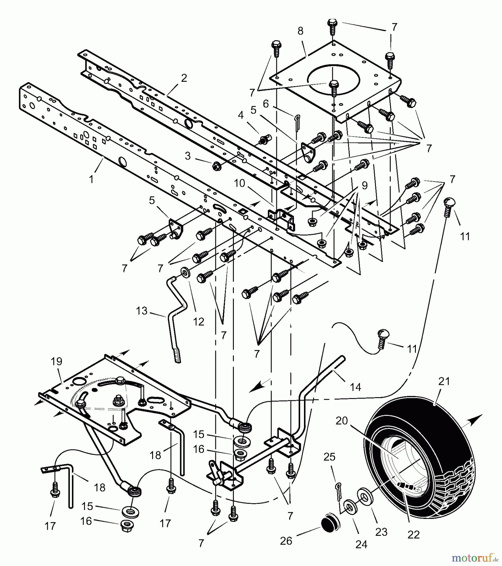
Hier finden Sie die Ersatzteilzeichnung für Murray Rasen- und Gartentraktoren 46103x71A - B&S/Murray 46" Garden Tractor (1999) (Quality Stores) Front Frame Assembly. Wählen Sie das benötigte Ersatzteil aus der Ersatzteilliste Ihres Murray Gerätes aus und bestellen Sie einfach online. Viele Murray Ersatzteile halten wir ständig in unserem Lager für Sie bereit.





