Murray 405015x92A - B&S/ 40" Lawn Tractor (2002) (Walmart) Motion Drive Ersatzteile
Motion Drive 405015x92A - B&S/Murray 40" Lawn Tractor (2002) (Walmart)

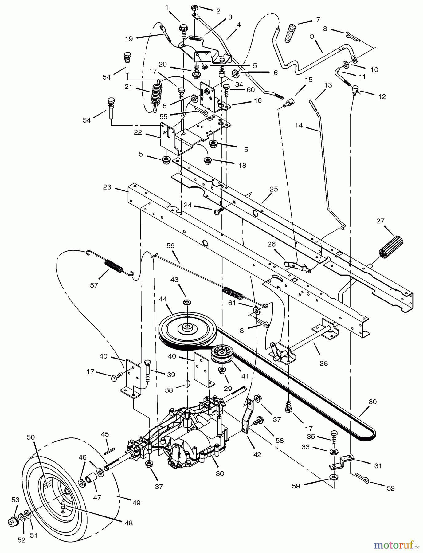
Hier finden Sie die Ersatzteilzeichnung für Murray Rasen- und Gartentraktoren 405015x92A - B&S/Murray 40" Lawn Tractor (2002) (Walmart) Motion Drive. Wählen Sie das benötigte Ersatzteil aus der Ersatzteilliste Ihres Murray Gerätes aus und bestellen Sie einfach online. Viele Murray Ersatzteile halten wir ständig in unserem Lager für Sie bereit.









