Murray 38715A - 38" Lawn Tractor (1999) Motion Drive Ersatzteile
Motion Drive 38715A - Murray 38" Lawn Tractor (1999)

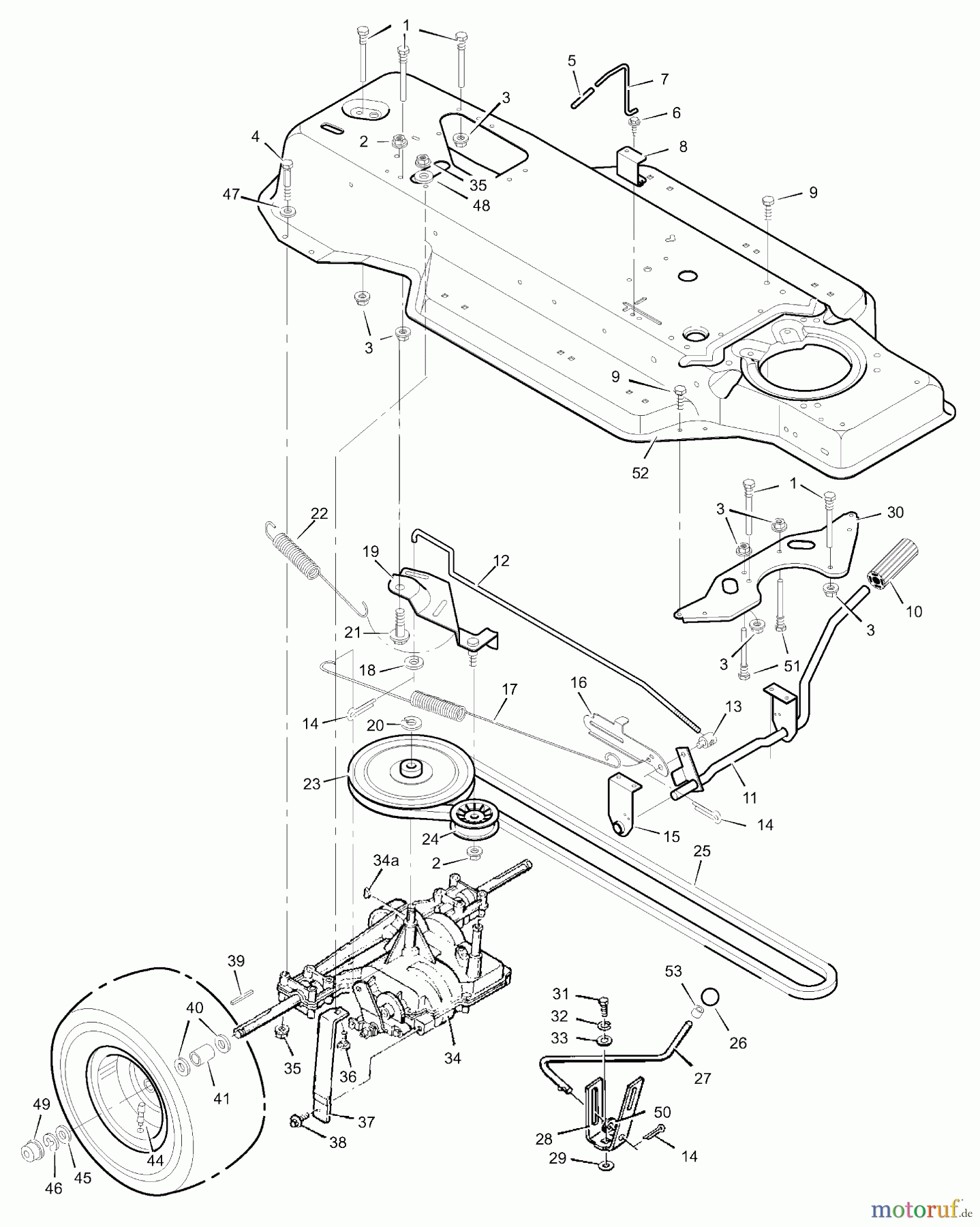
Hier finden Sie die Ersatzteilzeichnung für Murray Rasen- und Gartentraktoren 38715A - Murray 38" Lawn Tractor (1999) Motion Drive. Wählen Sie das benötigte Ersatzteil aus der Ersatzteilliste Ihres Murray Gerätes aus und bestellen Sie einfach online. Viele Murray Ersatzteile halten wir ständig in unserem Lager für Sie bereit.


Qualitätsmanagement
Informieren Sie uns, wenn Sie einen Fehler gefunden haben.







