Jonsered GT26 - String/Brush Trimmer (1992-03) ENGINE Ersatzteile
ENGINE GT26 - Jonsered String/Brush Trimmer (1992-03)

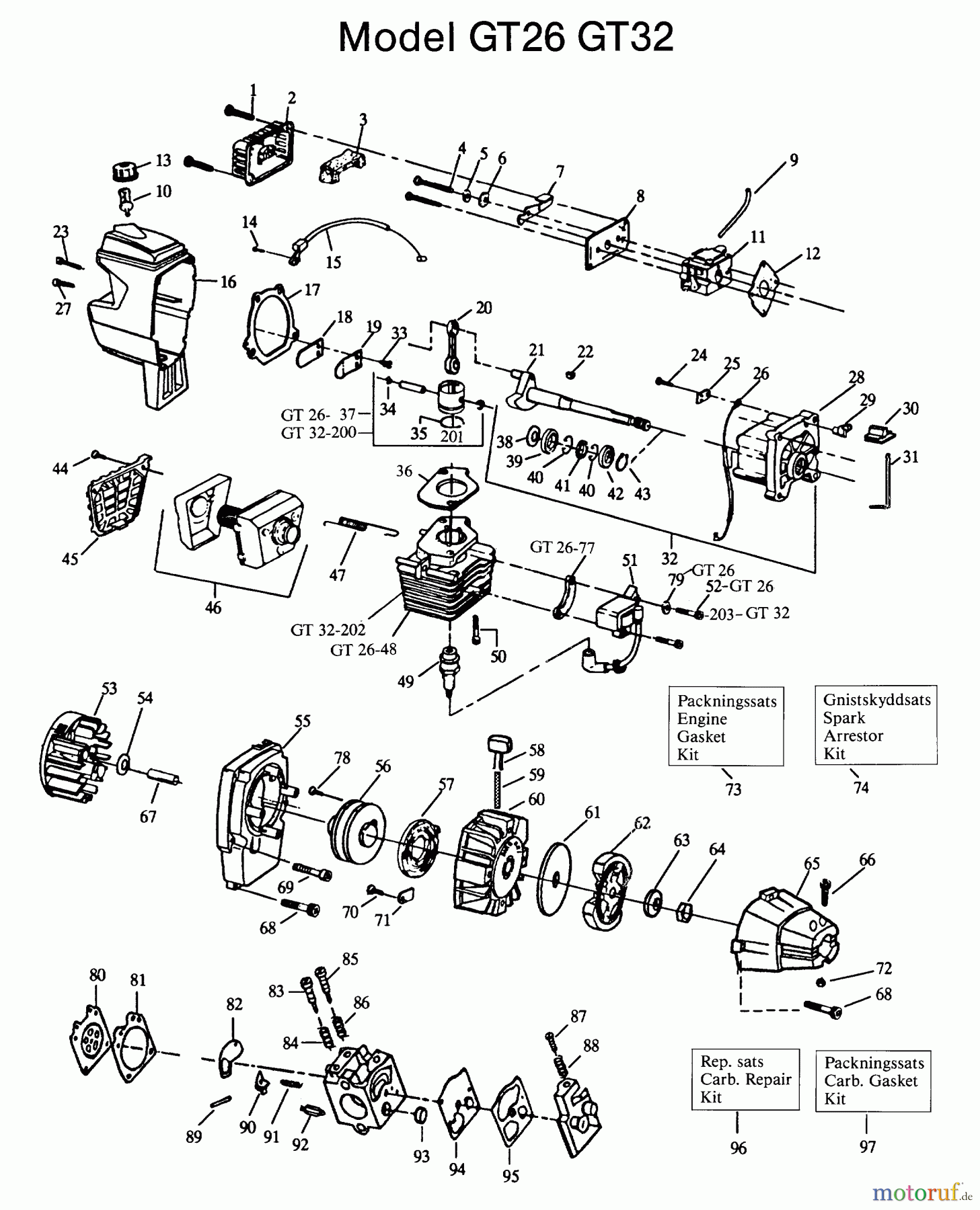
Hier finden Sie die Ersatzteilzeichnung für Jonsered Motorsensen, Trimmer GT26 - Jonsered String/Brush Trimmer (1992-03) ENGINE. Wählen Sie das benötigte Ersatzteil aus der Ersatzteilliste Ihres Jonsered Gerätes aus und bestellen Sie einfach online. Viele Jonsered Ersatzteile halten wir ständig in unserem Lager für Sie bereit.











