Jonsered BV32 - Blower/Vacuum (2002-08) ENGINE #2 Ersatzteile
ENGINE #2 BV32 - Jonsered Blower/Vacuum (2002-08)

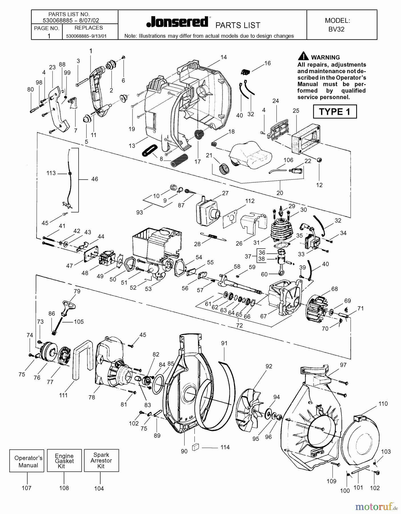
Hier finden Sie die Ersatzteilzeichnung für Jonsered Sonstiges BV32 - Jonsered Blower/Vacuum (2002-08) ENGINE #2. Wählen Sie das benötigte Ersatzteil aus der Ersatzteilliste Ihres Jonsered Gerätes aus und bestellen Sie einfach online. Viele Jonsered Ersatzteile halten wir ständig in unserem Lager für Sie bereit.


Qualitätsmanagement
Informieren Sie uns, wenn Sie einen Fehler gefunden haben.






