Einstellungen Computer

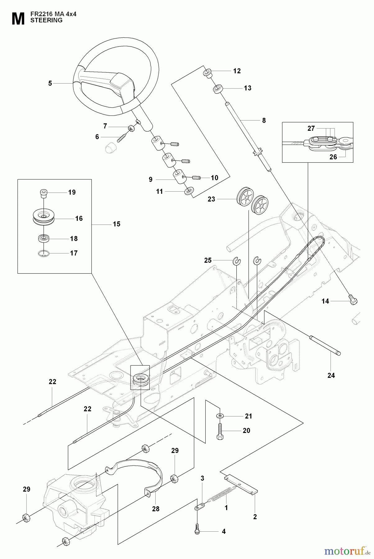
Jonsered FR2216 MA 4x4 (965190401) - Rear-Engine Riding Mower (2009-04) STEERING Ersatzteile

STEERING FR2216 MA 4x4 (965190401) - Jonsered Rear-Engine Riding Mower (2009-04)

 Jonsered Reitermäher FR2216 MA 4x4 (965190401) - Jonsered Rear-Engine Riding Mower (2009-04) STEERING

Hier finden Sie die Ersatzteilzeichnung für Jonsered Reitermäher FR2216 MA 4x4 (965190401) - Jonsered Rear-Engine Riding Mower (2009-04) STEERING. Wählen Sie das benötigte Ersatzteil aus der Ersatzteilliste Ihres Jonsered Gerätes aus und bestellen Sie einfach online. Viele Jonsered Ersatzteile halten wir ständig in unserem Lager für Sie bereit.

Rasen
Bankeinzug, MasterCard, Visa, American Express, PayPal, Nachnahme, Vorauskasse, Sofortüberweisung
Datenschutzerklärung Impressum
Qualitätsmanagement
Informieren Sie uns, wenn Sie einen Fehler gefunden haben.