Jonsered FR2216 FR (966414801) - Rear-Engine Riding Mower (2010-07) STEERING Ersatzteile
STEERING FR2216 FR (966414801) - Jonsered Rear-Engine Riding Mower (2010-07)

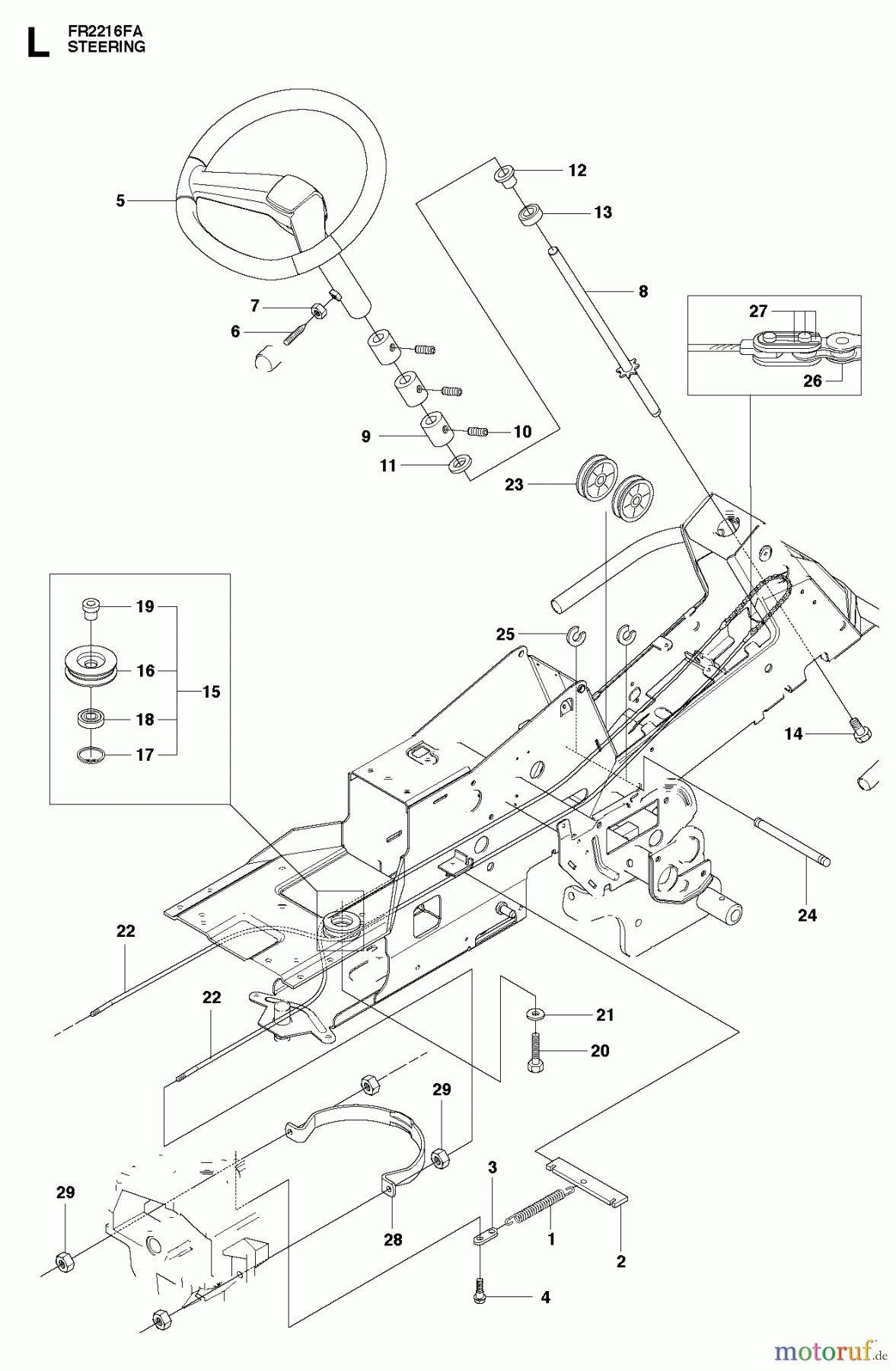
Hier finden Sie die Ersatzteilzeichnung für Jonsered Reitermäher FR2216 FR (966414801) - Jonsered Rear-Engine Riding Mower (2010-07) STEERING. Wählen Sie das benötigte Ersatzteil aus der Ersatzteilliste Ihres Jonsered Gerätes aus und bestellen Sie einfach online. Viele Jonsered Ersatzteile halten wir ständig in unserem Lager für Sie bereit.


Qualitätsmanagement
Informieren Sie uns, wenn Sie einen Fehler gefunden haben.





