Jonsered FR2113 A (953535201) - Rear-Engine Riding Mower (2004-01) ELECTRICAL Ersatzteile
ELECTRICAL FR2113 A (953535201) - Jonsered Rear-Engine Riding Mower (2004-01)

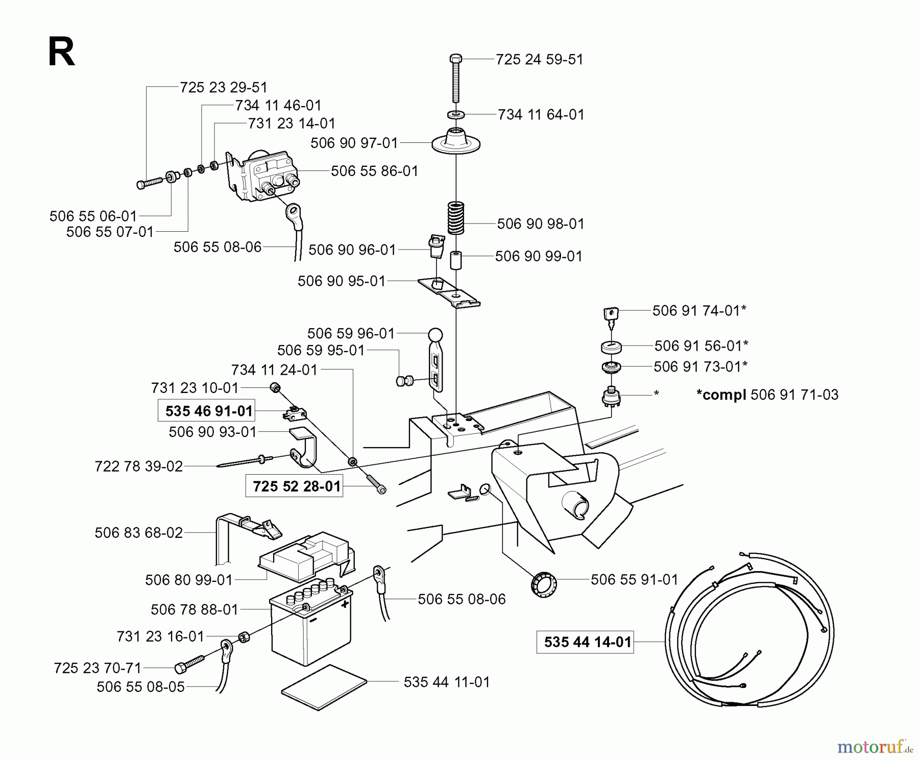
Hier finden Sie die Ersatzteilzeichnung für Jonsered Reitermäher FR2113 A (953535201) - Jonsered Rear-Engine Riding Mower (2004-01) ELECTRICAL. Wählen Sie das benötigte Ersatzteil aus der Ersatzteilliste Ihres Jonsered Gerätes aus und bestellen Sie einfach online. Viele Jonsered Ersatzteile halten wir ständig in unserem Lager für Sie bereit.






