Jonsered LT2217 A (96041011300) - Lawn & Garden Tractor (2009-01) SEAT Ersatzteile
SEAT LT2217 A (96041011300) - Jonsered Lawn & Garden Tractor (2009-01)

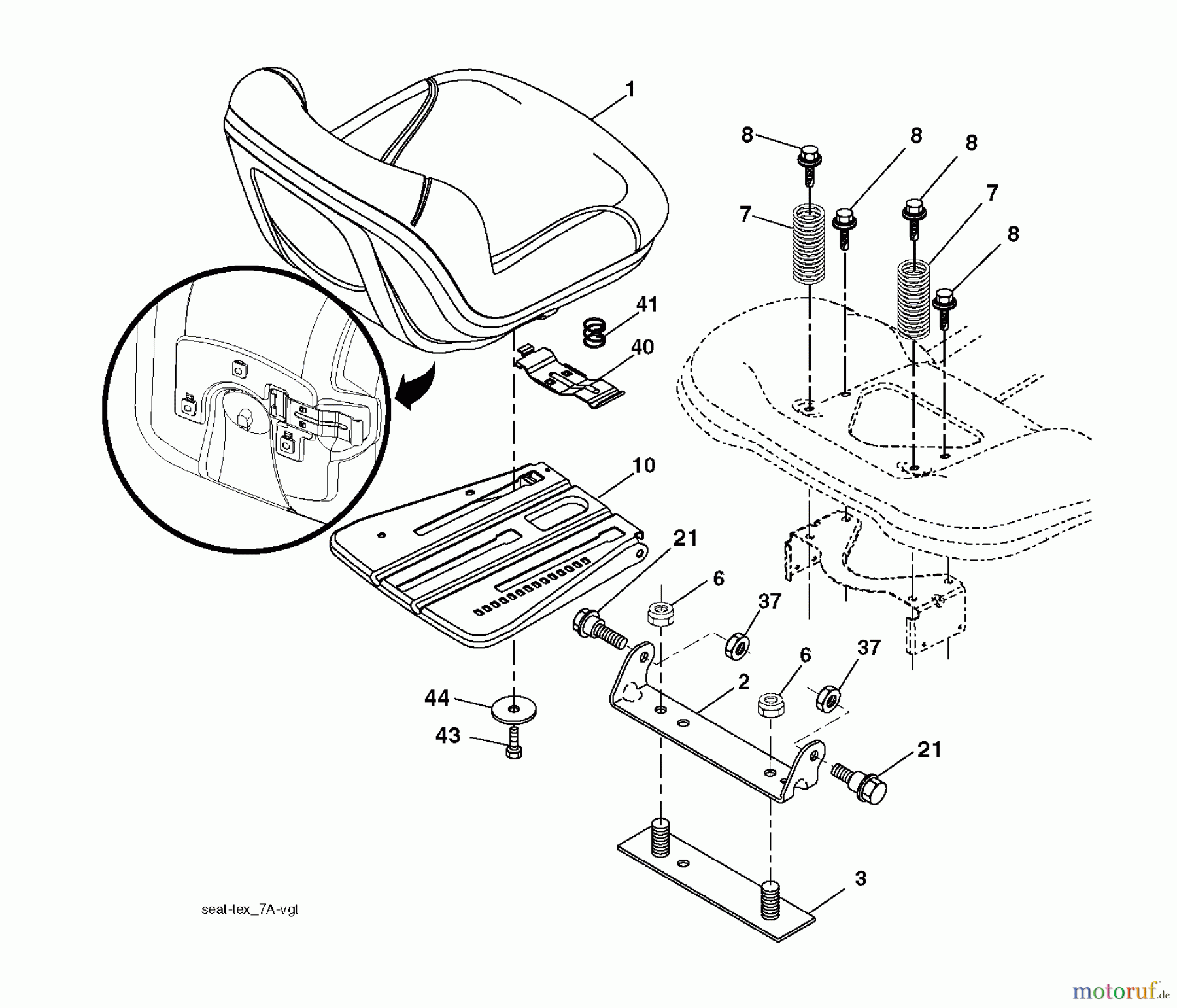
Hier finden Sie die Ersatzteilzeichnung für Jonsered Rasen und Garten Traktoren LT2217 A (96041011300) - Jonsered Lawn & Garden Tractor (2009-01) SEAT. Wählen Sie das benötigte Ersatzteil aus der Ersatzteilliste Ihres Jonsered Gerätes aus und bestellen Sie einfach online. Viele Jonsered Ersatzteile halten wir ständig in unserem Lager für Sie bereit.
| BildNr | Artikel Nummer | Bezeichnung | |
| 1 | 532 40 66-25 | SITZ | |
| 2 | 532 18 01-66 | BEFESTIGUNG | |
| 3 | 532 14 06-75 | STREIFEN | |
| 6 | ![]() | 873 68 06-00 | MUTTER |
| 7 | 539 11 03-00 | FEDER | |
| 8 | 532 17 18-77 | BOLZEN | |
| 10 | 532 19 69-77 | PLATTE | |
| 21 | 532 17 18-52 | BOLZEN | |
| 37 | ![]() | 873 80 05-00 | MUTTER |
| 40 | 532 19 76-61 | GRIFF | |
| 41 | 532 19 82-00 | FEDER | |
| 43 | 874 78 06-12 | BOLZEN | |
| 44 | 819 13 38-12 | SCHEIBE | |


Qualitätsmanagement
Informieren Sie uns, wenn Sie einen Fehler gefunden haben.



