Jonsered LT2216 (96041010105) - Lawn & Garden Tractor (2011-07) DRIVE Ersatzteile
DRIVE LT2216 (96041010105) - Jonsered Lawn & Garden Tractor (2011-07)

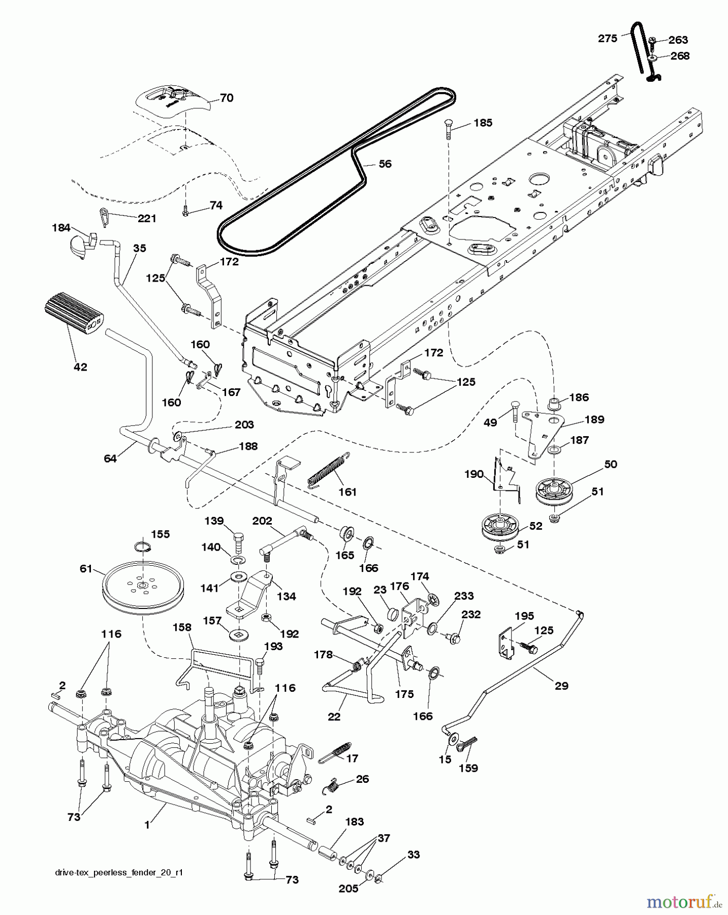
Hier finden Sie die Ersatzteilzeichnung für Jonsered Rasen und Garten Traktoren LT2216 (96041010105) - Jonsered Lawn & Garden Tractor (2011-07) DRIVE. Wählen Sie das benötigte Ersatzteil aus der Ersatzteilliste Ihres Jonsered Gerätes aus und bestellen Sie einfach online. Viele Jonsered Ersatzteile halten wir ständig in unserem Lager für Sie bereit.










