Jonsered LT2115 (96011012300) - Lawn & Garden Tractor (2006-01) ENGINE Ersatzteile
ENGINE LT2115 (96011012300) - Jonsered Lawn & Garden Tractor (2006-01)

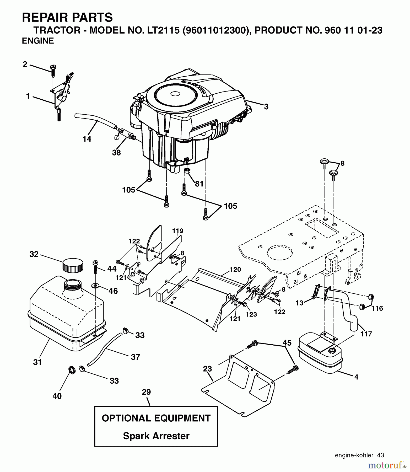
Hier finden Sie die Ersatzteilzeichnung für Jonsered Rasen und Garten Traktoren LT2115 (96011012300) - Jonsered Lawn & Garden Tractor (2006-01) ENGINE. Wählen Sie das benötigte Ersatzteil aus der Ersatzteilliste Ihres Jonsered Gerätes aus und bestellen Sie einfach online. Viele Jonsered Ersatzteile halten wir ständig in unserem Lager für Sie bereit.






