Einkaufswagen
Mein Konto

Oberflächenvorbereitungs Einheiten GRINDER #2 Ersatzteile

GRINDER #2 PG 820, To machine 0904-1 and forward, 2009-07

 Oberflächenvorbereitungs Einheiten PG 820, To machine 0904-1 and forward, 2009-07 GRINDER #2

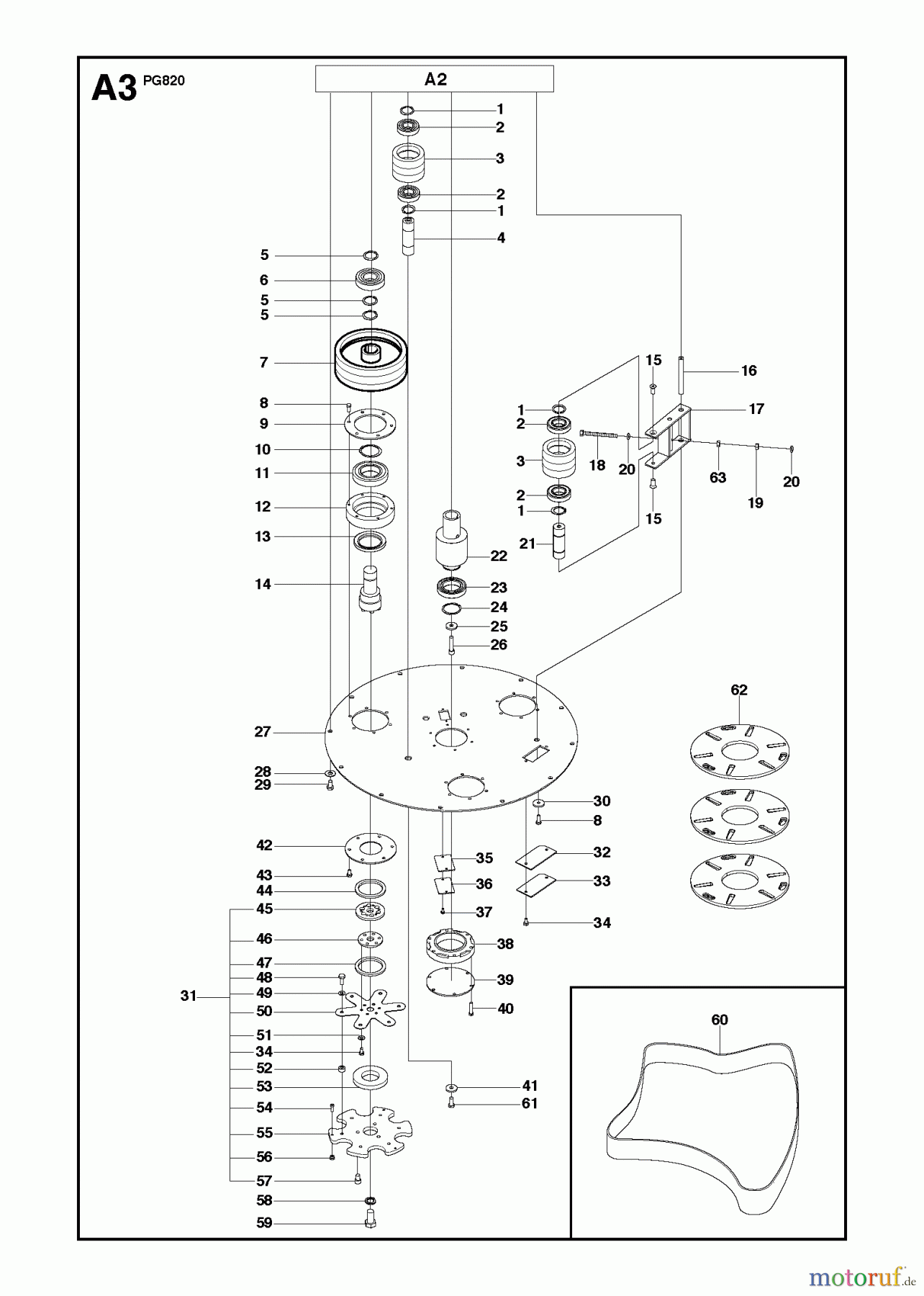
Hier finden Sie die Ersatzteilzeichnung für Oberflächenvorbereitungs Einheiten PG 820, To machine 0904-1 and forward, 2009-07 GRINDER #2. Wählen Sie das benötigte Ersatzteil aus der Ersatzteilliste Ihres Oberflächenvorbereitungs Einheiten Gerätes aus und bestellen Sie einfach online. Viele Oberflächenvorbereitungs Einheiten Ersatzteile halten wir ständig in unserem Lager für Sie bereit.

BildNrArtikel NummerBezeichnung
1 735 31 33-00FEDERRING
2 502 53 91-01LAGER
3 502 53 68-01RIEMENSCHEIBE
4 502 53 67-01RIEMENSCHEIBE
5 735 31 37-00FEDERRING
6 502 53 93-01LAGER
7 502 53 64-01RIEMENSCHEIBE
8 725 24 51-76SCHRAUBE M8x20 Hex FT 10.9
9 502 53 77-01PLATTE
10 502 53 96-01LAGER
11 502 53 95-01LAGER
12 502 53 70-01LAGERGEHAEUSE
13 502 53 97-01LAGER
14 502 53 66-01RIEMENSCHEIBEWELLE
15 725 64 93-51SCHRAUBE M10X25
16 516 05 81-01RAHMEN
17 502 53 82-01RAHMEN
18 725 25 15-71SCHRAUBE
19 731 23 20-01MUTTER
20 Oberflächenvorbereitungs Einheiten Scheibe 3/8734 11 72-01Scheibe 3/8
21 502 53 69-01ACHSE
22 502 53 65-01RIEMENSCHEIBE
23 502 53 87-01LAGER
24 502 53 88-01LAGER
25 504 72 63-03DECKEL
26 504 74 88-01BOLZEN
27 502 53 75-01PLATTE
28 734 11 78-01SCHEIBE
29 725 25 32-71SCHRAUBE
30 543 04 66-47SCHEIBE 8,5X35,8X3
31 502 53 40-01SCHLEIFKOPF KPL.
32 516 05 84-01DICHTUNG
33 504 72 78-01PLATTE
34 725 24 49-76
35 516 05 85-01DICHTUNG
36 504 72 79-01ABSTANDSSTUECK
37 725 23 66-71SCHRAUBE
38 502 53 73-01LAGERGEHAEUSE
39 502 53 78-01PLATTE
40 725 24 60-81
41 504 72 95-01SCHEIBE
42 504 72 80-01DICHTUNG
43 725 24 53-76SCHRAUBE M8-1.25X25
44 502 53 98-01DICHTUNGSRING
45 502 53 40-06FEDER
46 502 53 40-04FEDER
47 502 53 40-05FEDERRING SCHWARZ
48 725 24 93-76SCHRAUBE
49 Oberflächenvorbereitungs Einheiten Scheibe 3/8734 11 72-01Scheibe 3/8
50 502 53 42-01SCHLEIFKOPF - FEDERPLATTE
51 Oberflächenvorbereitungs Einheiten SCHEIBE734 11 63-01SCHEIBE
52 502 53 40-14STAHLFEDER
53 502 53 43-01SILIKONRING PG820/680
54 725 53 70-51SCHRAUBE
55 502 53 40-02SCHLEIFKOPFPLATTE
56 502 53 44-01HALTEBOLZEN
57 504 74 84-01BEFESTIGUNG
58 504 74 96-03SCHEIBE
59 504 74 89-01BOLZEN
60 502 54 23-01KRAFTBAND
61 725 25 34-71SCHRAUBE
62 502 53 22-01AUFNAHMETELLER F.SCHLEIF.PG820
63 732 25 20-01MUTTER
Rasen
Bankeinzug, MasterCard, Visa, American Express, PayPal, Nachnahme, Vorauskasse, Sofortüberweisung