Wand und Kabelsägen CYLINDER Ersatzteile
CYLINDER CS2512, 2007-32

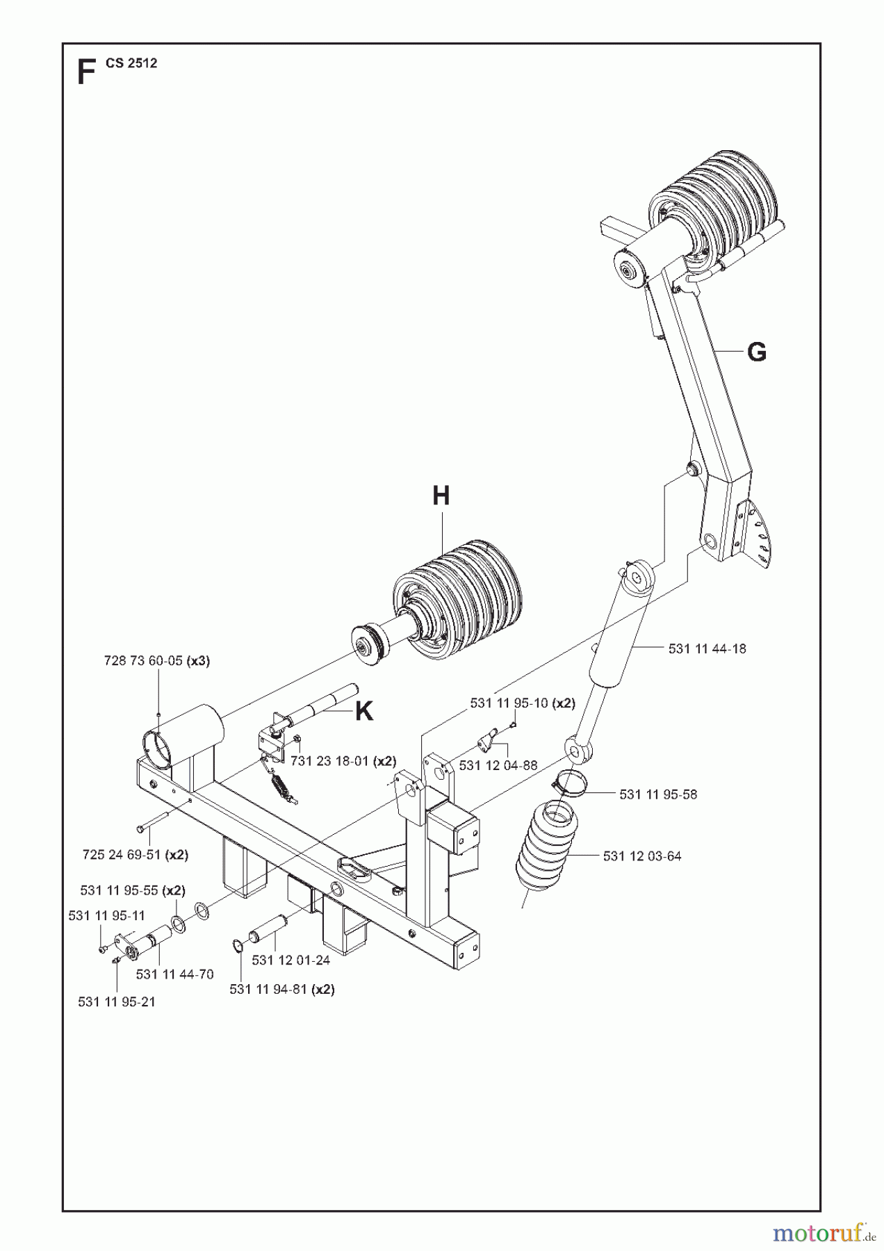
Hier finden Sie die Ersatzteilzeichnung für Wand und Kabelsägen CS2512, 2007-32 CYLINDER. Wählen Sie das benötigte Ersatzteil aus der Ersatzteilliste Ihres Wand und Kabelsägen Gerätes aus und bestellen Sie einfach online. Viele Wand und Kabelsägen Ersatzteile halten wir ständig in unserem Lager für Sie bereit.
| BildNr | Artikel Nummer | Bezeichnung | |
| 531 11 44-18 | 531 11 44-18 | HYDRAULIKZYLINDER | |
| 531 11 44-70 | 531 11 44-70 | ACHSE | |
| 531 11 94-81 | 531 11 94-81 | FEDERRING | |
| 531 11 95-10 | 531 11 95-10 | SCHRAUBE K6S 6X10 10.9 FZB | |
| 531 11 95-11 | 531 11 95-11 | SCHRAUBE K6S 8X16 10.9 FZB | |
| 531 11 95-21 | 531 11 95-21 | SCHMIERNIPPEL | |
| 531 11 95-55 | 531 11 95-55 | ABSTANDSSCHEIBE | |
| 531 11 95-58 | 531 11 95-58 | SCHLAUCHKLEMME ABA 58-75 | |
| 531 12 01-24 | 531 12 01-24 | WELLE | |
| 531 12 03-64 | 531 12 03-64 | BALG | |
| 531 12 04-88 | 531 12 04-88 | ZEIGER | |
| 725 24 69-51 | 725 24 69-51 | SCHRAUBE | |
| 728 73 60-05 | 728 73 60-05 | STOPPSCHRAUBE | |
| 731 23 18-01 | ![]() | 731 23 18-01 | MUTTER |



