Trennschneider, Cut-Off BELT GUARD & PULLEY Ersatzteile
BELT GUARD & PULLEY K750 RESCUE, 2009-07

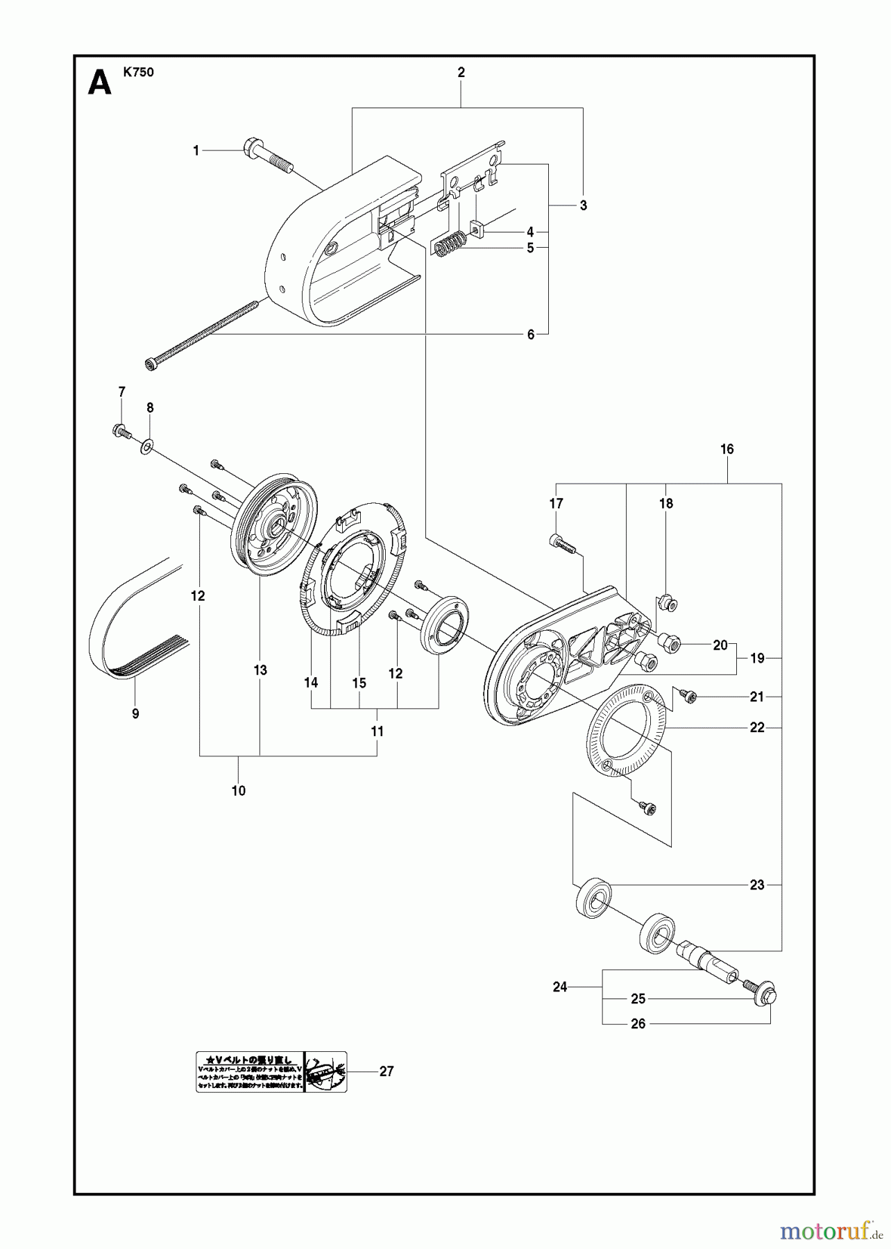
Hier finden Sie die Ersatzteilzeichnung für Trennschneider, Cut-Off K750 RESCUE, 2009-07 BELT GUARD & PULLEY. Wählen Sie das benötigte Ersatzteil aus der Ersatzteilliste Ihres Trennschneider, Cut-Off Gerätes aus und bestellen Sie einfach online. Viele Trennschneider, Cut-Off Ersatzteile halten wir ständig in unserem Lager für Sie bereit.


Qualitätsmanagement
Informieren Sie uns, wenn Sie einen Fehler gefunden haben.


