Husqvarna LT 112 (954000191) (H1236A) - Lawn Tractor (1990-11 & After) Engine/Throttle Ersatzteile
Engine/Throttle LT 112 (954000191) (H1236A) - Husqvarna Lawn Tractor (1990-11 & After)

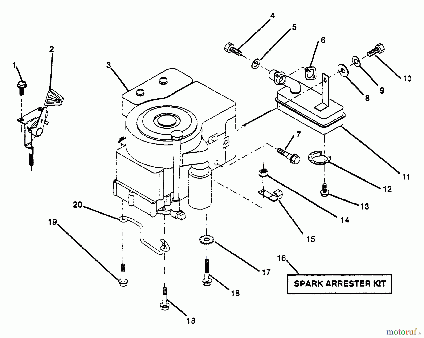
Hier finden Sie die Ersatzteilzeichnung für Husqvarna Rasen und Garten Traktoren LT 112 (954000191) (H1236A) - Husqvarna Lawn Tractor (1990-11 & After) Engine/Throttle. Wählen Sie das benötigte Ersatzteil aus der Ersatzteilliste Ihres Husqvarna Gerätes aus und bestellen Sie einfach online. Viele Husqvarna Ersatzteile halten wir ständig in unserem Lager für Sie bereit.


Qualitätsmanagement
Informieren Sie uns, wenn Sie einen Fehler gefunden haben.


