Husqvarna GTH 26K54T (96043001101) - Garden Tractor (2006-03 & After) Schematic Ersatzteile
Schematic GTH 26K54T (96043001101) - Husqvarna Garden Tractor (2006-03 & After)

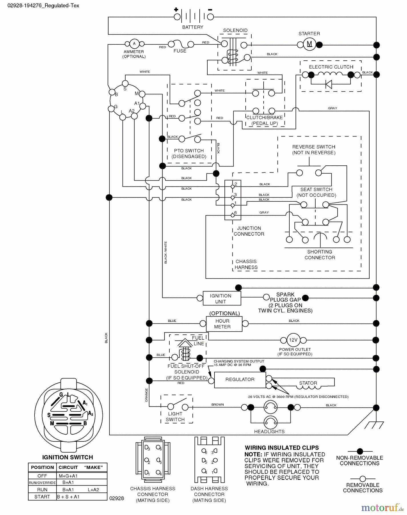
Hier finden Sie die Ersatzteilzeichnung für Husqvarna Rasen und Garten Traktoren GTH 26K54T (96043001101) - Husqvarna Garden Tractor (2006-03 & After) Schematic. Wählen Sie das benötigte Ersatzteil aus der Ersatzteilliste Ihres Husqvarna Gerätes aus und bestellen Sie einfach online. Viele Husqvarna Ersatzteile halten wir ständig in unserem Lager für Sie bereit.
| BildNr | Artikel Nummer | Bezeichnung | |
| Briggs and Stratton | |||


Qualitätsmanagement
Informieren Sie uns, wenn Sie einen Fehler gefunden haben.

