Husqvarna LE 359 - Walk-Behind Edger (1996-11 to 1998-01) Engine Ersatzteile
Engine LE 359 - Husqvarna Walk-Behind Edger (1996-11 to 1998-01)

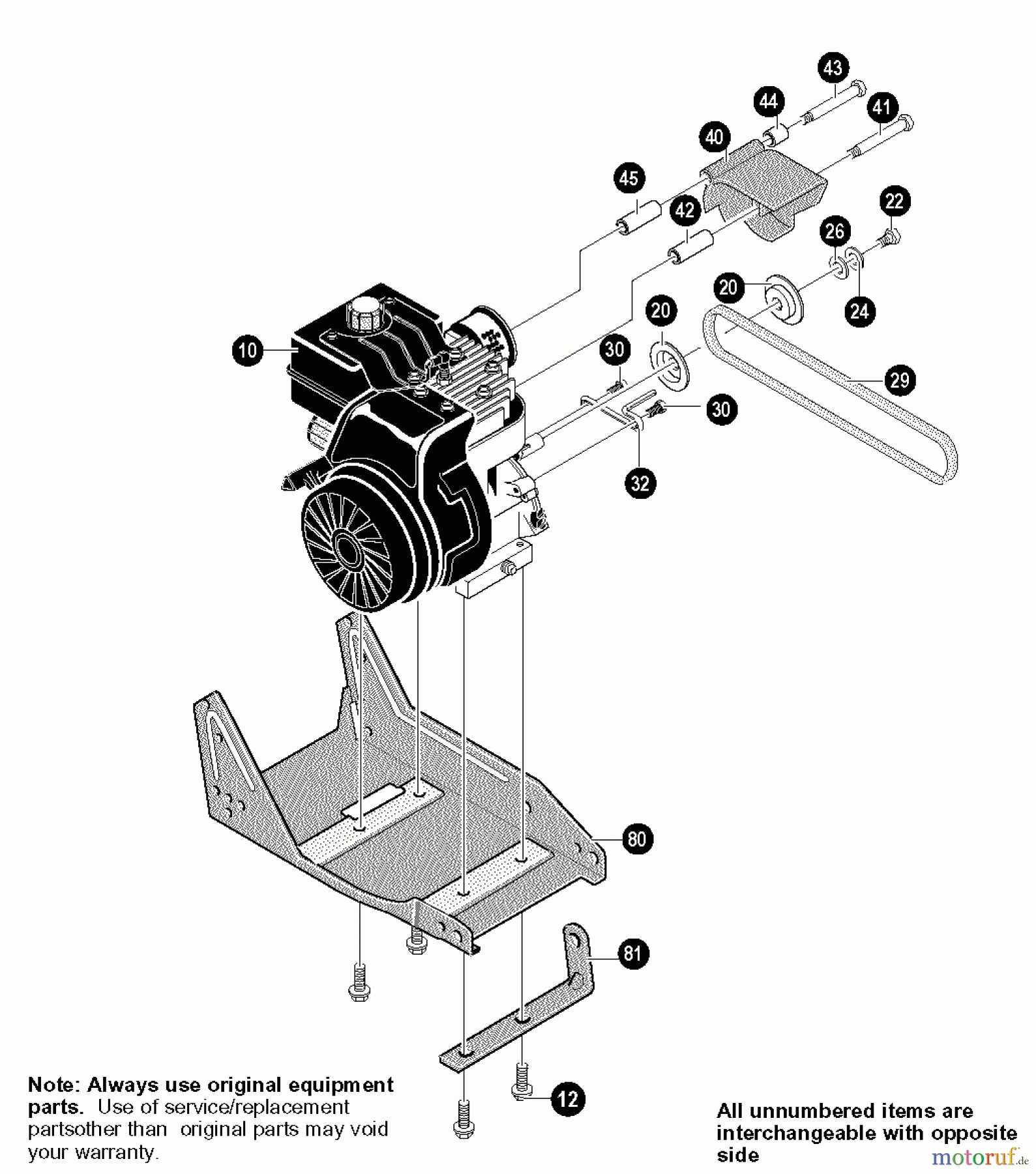
Hier finden Sie die Ersatzteilzeichnung für Husqvarna Kantenschneider LE 359 - Husqvarna Walk-Behind Edger (1996-11 to 1998-01) Engine. Wählen Sie das benötigte Ersatzteil aus der Ersatzteilliste Ihres Husqvarna Gerätes aus und bestellen Sie einfach online. Viele Husqvarna Ersatzteile halten wir ständig in unserem Lager für Sie bereit.



