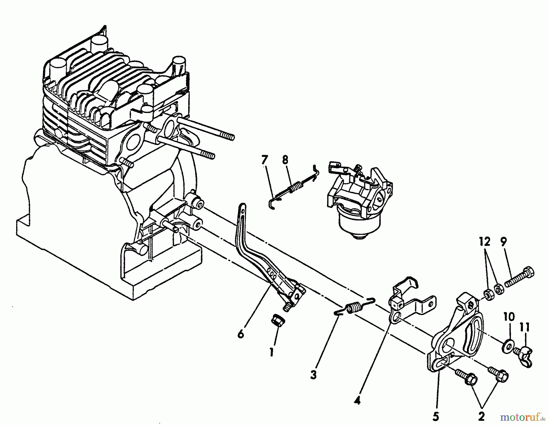
Echo WP-2000 - Water Pump, S/N: A0000 - A1009 THROTTLE, GOVERNOR LEVER Ersatzteile
THROTTLE, GOVERNOR LEVER WP-2000 - Echo Water Pump, S/N: A0000 - A1009

Hier finden Sie die Ersatzteilzeichnung für Echo Wasserpumpen WP-2000 - Echo Water Pump, S/N: A0000 - A1009 THROTTLE, GOVERNOR LEVER. Wählen Sie das benötigte Ersatzteil aus der Ersatzteilliste Ihres Echo Gerätes aus und bestellen Sie einfach online. Viele Echo Ersatzteile halten wir ständig in unserem Lager für Sie bereit.
| BildNr | Artikel Nummer | Bezeichnung | |
| 1 | 16Y26366060002 | ||
| 2 | 1699999999999 | ||
| 3 | 16Y16061066011 | ||
| 4 | 16Y16073066050 | ||
| 5 | 16Y16061066100 | ||
| 6 | 16Y16061066151 | ||
| 7 | 16Y16061066201 | ||
| 8 | 16Y16071066220 | ||
| 9 | 16Y16061166440 | ||
| 10 | 16Y16012076940 | ||
| 11 | 16Y26645060152 | ||
| 12 | 16Y26757060002 | ||



