Einstellungen Computer

Echo SRM-3000 - String Trimmer, S/N:043226 - 999999 Intake, Exhaust, Air Cleaner, Fuel System Ersatzteile

Intake, Exhaust, Air Cleaner, Fuel System SRM-3000 - Echo String Trimmer, S/N:043226 - 999999

 Echo Trimmer, Faden / Bürste SRM-3000 - Echo String Trimmer, S/N:043226 - 999999 Intake, Exhaust, Air Cleaner, Fuel System

Hier finden Sie die Ersatzteilzeichnung für Echo Trimmer, Faden / Bürste SRM-3000 - Echo String Trimmer, S/N:043226 - 999999 Intake, Exhaust, Air Cleaner, Fuel System. Wählen Sie das benötigte Ersatzteil aus der Ersatzteilliste Ihres Echo Gerätes aus und bestellen Sie einfach online. Viele Echo Ersatzteile halten wir ständig in unserem Lager für Sie bereit.

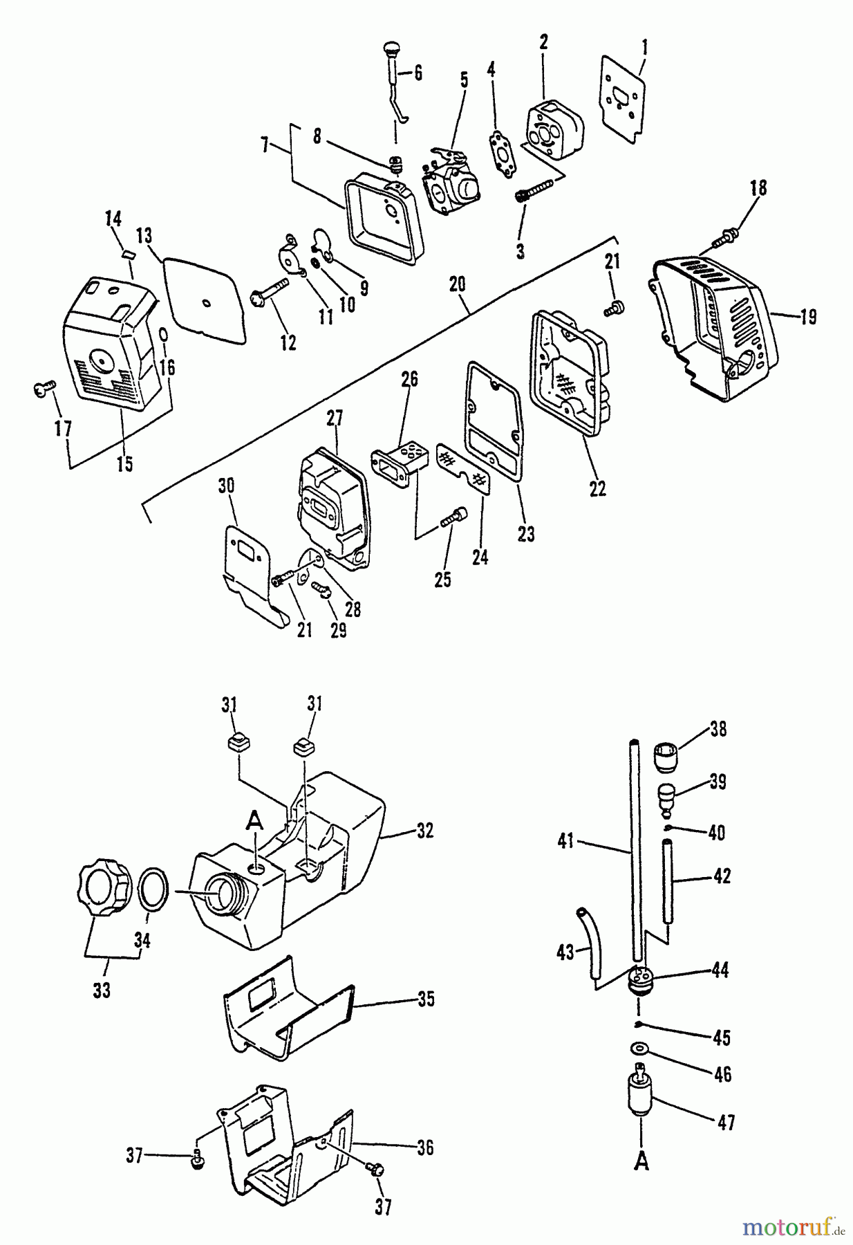
BildNrArtikel NummerBezeichnung
1 16-130016-42031Dichtung(Papier)
2 1613000751330
3 16-900162-05025Schraube 5x25 CS-5100/PB-46LN/
4 1613001640931
5 1612520051332
6 16-178510-51730Chokegestänge
7 16-130314-51730Luftfiltergehäuse HCA-2400
8 16-178810-05230Dichtring HCA-2500, HCR-1510,
9 16-178515-05060Chokeklappe HCA-2500, HCR-
10 16-178516-00830Distanzring GT-2150, HCA-2500,
11 1699999999999
12 16-900238-05045Schraube
13 16-130310-51830Luftfilter SRM-2655 HCA-2400/
14 16-X506-000070Aufkleber CHOKE HCR-1510
15 16-130302-51731Luftfilterdeckel SRM-3150
16 16-900720-00003O-Ring(Gummi)
17 1616
18 16-900238-04008Schraube
19 1614562151831
20 1614580051330
21 16-900162-05014Schraube M 5x14
22 1614586151330
23 1614586651330
24 1614586251030
25 16-900105-05018Schraube 452GS (10)
26 1614585951230
27 1614581051330
28 1614571151330
29 16-900238-05010Schraube M5x10
30 1614551051330
31 16-131924-05530Gummilager SRM-310E
32 1613101051830
33 16-131004-55830Tankdeckel HC-1500, HC-2400,
34 16-131016-40930Dichtung ES-2000, HC-2100,
35 1613192441030
36 1613191041030
37 16-900238-05012Schraube 5x12, CS-3501
38 16-131328-40630Entlüftungsventilsitz CS-3700,
39 16-131300-56430Entlüftungsventil CS-3500-1/
40 16-132013-09820Clip CS-2600/-3700/SRM-250/GT-
41 16-V471-001190Benzinleitung (Gummi) SRM-
42 16-132010-51230Benzinleitung(Gummi)
43 16-132010-56330Überlaufleitung 9cm CS/ES/GT/
44 Echo Dichtring HC-1500/HCR-1500/16-132115-46730Dichtring HC-1500/HCR-1500/
45 Echo Klipp (10) CS-6702, SRM-201016-130111-00530Klipp (10) CS-6702, SRM-2010
46 Echo Scheibe(Eisen) CS-2600/PB-250/16-900603-00005Scheibe(Eisen) CS-2600/PB-250/
47 16-131205-14930Filter SHR-4100
Rasen
Bankeinzug, MasterCard, Visa, American Express, PayPal, Nachnahme, Vorauskasse, Sofortüberweisung
Datenschutzerklärung Impressum
Qualitätsmanagement
Informieren Sie uns, wenn Sie einen Fehler gefunden haben.