Echo SRM-3000 - String Trimmer, S/N:034001 - 037500 Driveshaft,Throttle,Stop Switch,Handles,Clutch Housing,Harness Ersatzteile
Driveshaft,Throttle,Stop Switch,Handles,Clutch Housing,Harness SRM-3000 - Echo String Trimmer, S/N:034001 - 037500

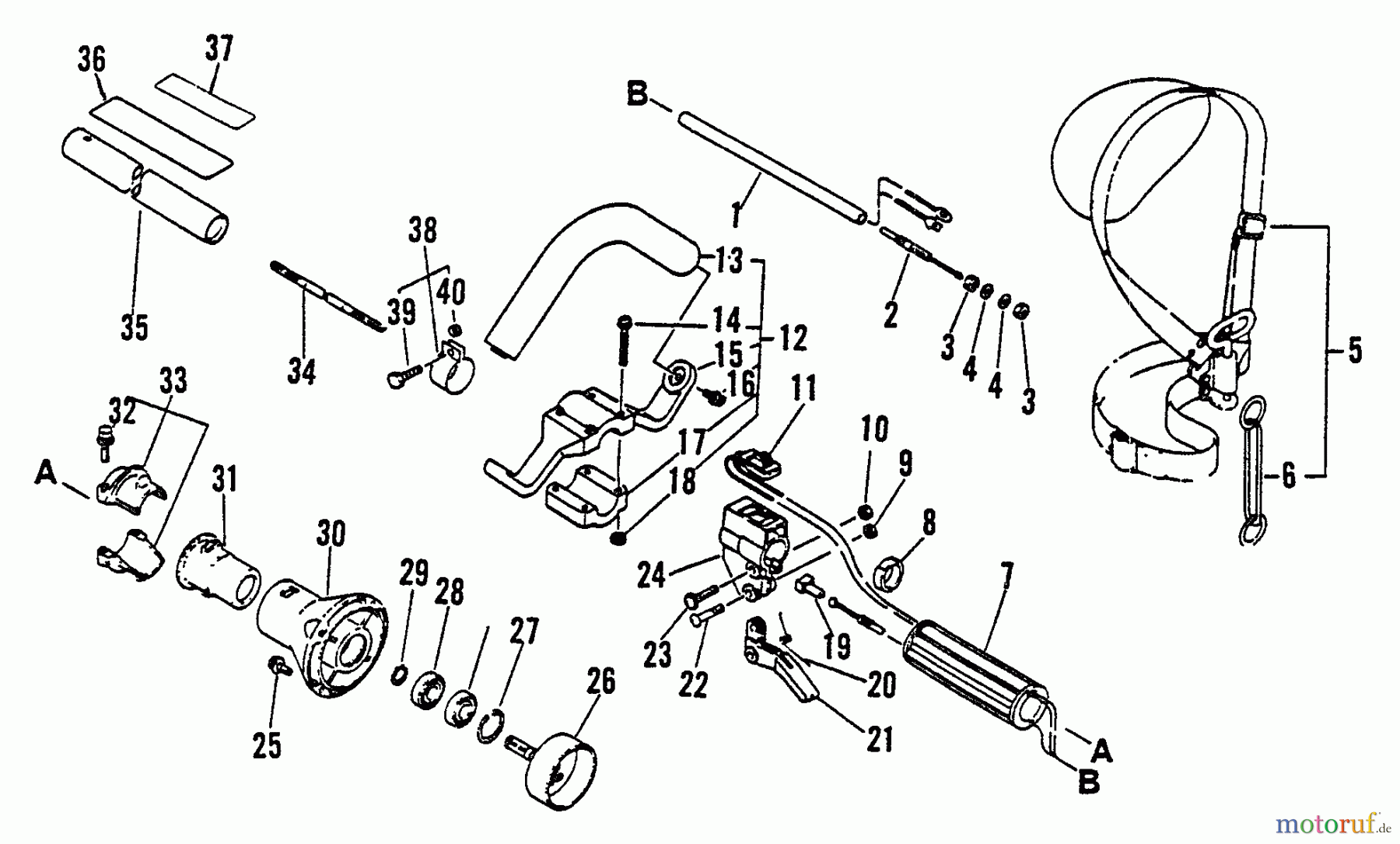
Hier finden Sie die Ersatzteilzeichnung für Echo Trimmer, Faden / Bürste SRM-3000 - Echo String Trimmer, S/N:034001 - 037500 Driveshaft,Throttle,Stop Switch,Handles,Clutch Housing,Harness. Wählen Sie das benötigte Ersatzteil aus der Ersatzteilliste Ihres Echo Gerätes aus und bestellen Sie einfach online. Viele Echo Ersatzteile halten wir ständig in unserem Lager für Sie bereit.


Qualitätsmanagement
Informieren Sie uns, wenn Sie einen Fehler gefunden haben.

