Echo SRM-2501S - String Trimmer, S/N:098241 - 999999 Clutch, Driveshaft, Fuel System, Strap, Throttle Control Ersatzteile
Clutch, Driveshaft, Fuel System, Strap, Throttle Control SRM-2501S - Echo String Trimmer, S/N:098241 - 999999

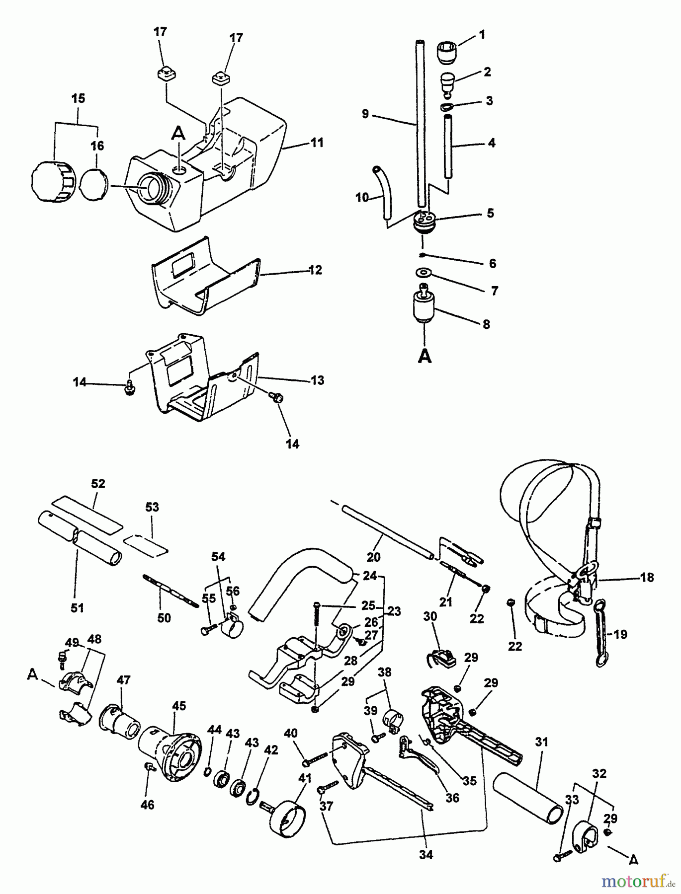
Hier finden Sie die Ersatzteilzeichnung für Echo Trimmer, Faden / Bürste SRM-2501S - Echo String Trimmer, S/N:098241 - 999999 Clutch, Driveshaft, Fuel System, Strap, Throttle Control. Wählen Sie das benötigte Ersatzteil aus der Ersatzteilliste Ihres Echo Gerätes aus und bestellen Sie einfach online. Viele Echo Ersatzteile halten wir ständig in unserem Lager für Sie bereit.


Qualitätsmanagement
Informieren Sie uns, wenn Sie einen Fehler gefunden haben.





