Echo CSG-680 - Chainsaw, Piston, Crankcase Ersatzteile
Piston, Crankcase CSG-680 - Echo Chainsaw,

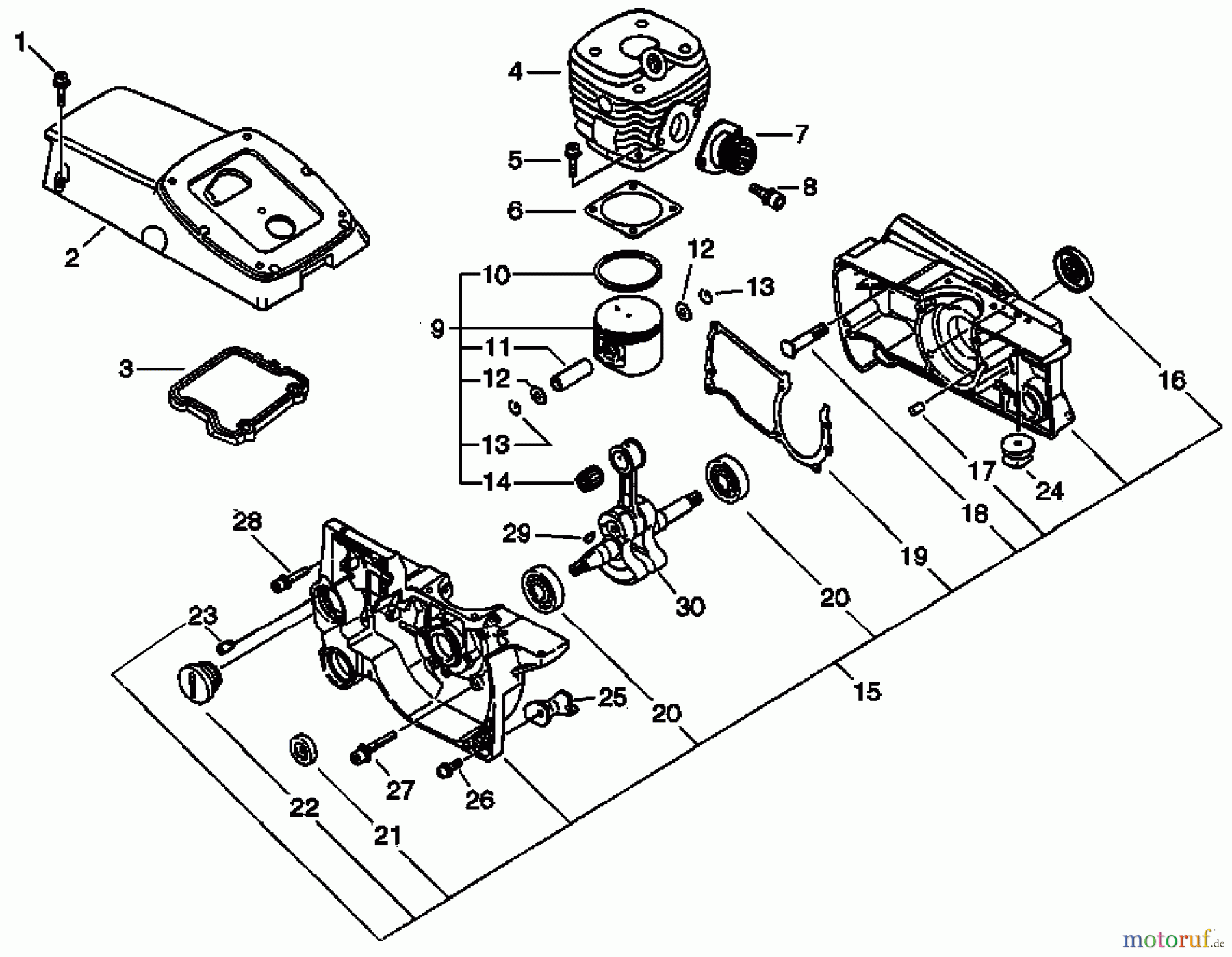
Hier finden Sie die Ersatzteilzeichnung für Echo Trennsägen CSG-680 - Echo Chainsaw, Piston, Crankcase. Wählen Sie das benötigte Ersatzteil aus der Ersatzteilliste Ihres Echo Gerätes aus und bestellen Sie einfach online. Viele Echo Ersatzteile halten wir ständig in unserem Lager für Sie bereit.


Qualitätsmanagement
Informieren Sie uns, wenn Sie einen Fehler gefunden haben.

