Einkaufswagen
Mein Konto

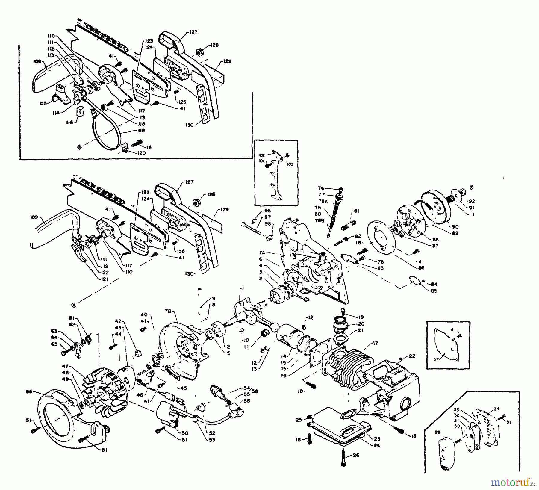
Echo CS-500VL - Chainsaw, S/N: 001001 - 049000 Eng, Exhaust, Ign, Cltch, Oiler, Auto, In, Ex, Chn Brk, Cut Attch Ersatzteile

Eng, Exhaust, Ign, Cltch, Oiler, Auto, In, Ex, Chn Brk, Cut Attch CS-500VL - Echo Chainsaw, S/N: 001001 - 049000

 Echo Sägen, Kettensägen CS-500VL - Echo Chainsaw, S/N: 001001 - 049000 Eng, Exhaust, Ign, Cltch, Oiler, Auto, In, Ex, Chn Brk, Cut Attch

Hier finden Sie die Ersatzteilzeichnung für Echo Sägen, Kettensägen CS-500VL - Echo Chainsaw, S/N: 001001 - 049000 Eng, Exhaust, Ign, Cltch, Oiler, Auto, In, Ex, Chn Brk, Cut Attch. Wählen Sie das benötigte Ersatzteil aus der Ersatzteilliste Ihres Echo Gerätes aus und bestellen Sie einfach online. Viele Echo Ersatzteile halten wir ständig in unserem Lager für Sie bereit.

BildNrArtikel NummerBezeichnung
1 1699010000004
2 16-900810-06202Kugellager BCLS-580
3 16-900702-00035Seegerring, innen, 35mm
4 16-100213-02830Simmerring PB-6000 bis S.-Nr.:
5 16-100213-00310Simmerring PB-6000 ab S.-Nr.
6 1699999999999
7 1610020412331
7A 16-100200-12331Kurbelgehäuse
7B 16-100200-12331Kurbelgehäuse
8 16-V622-000020Stift
9 16-130110-14330Impulsschlauch
10 16-100131-01620Polradkeil
11 16-100012-12330Nadellager
12 Echo Sicherungsring16-100015-00120Sicherungsring
13 16-100013-00410Kolbenbolzen
14 16-100010-12331Kolben
15 16-100011-12330Kolbenring
16 1610101012331
17 16-101011-12330Zylinder Produktion
18 16-900162-05020Schraube M5x20 PB-6000/-46LN/-
19 16-900241-05010Schraube(Eisen)
20 16-130508-12331Zwischenstück Produktion
21 16-130010-12331Dichtung
22 16-101514-12332Zyl.-Abdeckung Produktion
23 1614551012331
24 16-145610-12330Auspuff Produktion eingestellt
25 16-130031-10230Scheibe
26 16-900162-05035Schraube CLS-5010/CS-5501/SRM-
40 16-156101-11230Kontaktsatz Produktion
41 16-900242-04010Schraube EA-410
42 16-156134-04630Ölfilz Produktion eingestellt
43 16-156128-11231Abdeckung Produktion
44 16-900242-03018Schraube Produktion
45 16-159112-12330Clip Produktion eingestellt
46 16-156104-11230Kondensator Produktion
47 16-156205-12331Polrad
48 16-900611-00008Scheibe
49 16-900500-00008Mutter 8
50 16-156108-12331Zündspule Produktion
51 Echo Schraube16-900242-04020Schraube
52 16-150117-13730Distanzring Produktion
53 16-150110-03930Tülle Produktion eingestellt
54 16-159010-12330Zündkerze
55 16-159011-03432Kontaktfeder CS-2600/4200/PB-
56 16-159012-03433Zündkerzenkappe, Gummi PPT-
61 16-177234-12330Feder
62 16-177247-12331Hülse
63 16-177218-12330Starterklinke
64 16-900502-00005Mutter CS-4500, ES-2400, PB-
65 16-900100-05018Schraube
66 16-101535-12330Abdeckung Produktion
75 1643701611130
76 16-900220-05010Schraube
77 16-437059-11133Anschlagring
78 16-437000-03430ZSB: ÖLPUMPE
78A 16-437002-03431Zsb. Ölpumpe
78B 16-437002-03431Zsb. Ölpumpe
79 Echo O-Ring CS-330EVL/400EVL16-437020-02830O-Ring CS-330EVL/400EVL
80 16-437019-02830Feder
81 16-433011-12330Stehbolzen
82 16-900162-05030Schraube CS-3500,-3501, SRM-
83 16-433026-12330Kettenfangbolzen
84 16-890011-00130Kerbstift
85 1689011012330
86 16-175310-12330Abdeckung Produktion
16-175000-16131ZSB.Kupplung
87 16-175016-03430Nabe
88 16-175017-02830Kupplungsbacken
89 16-175018-02830Kupplungsfeder
90 16-175005-14330Kupplungstrommel CS-451 + CS-
91 16-175015-03430Scheibe(Eisen)
92 16-610320-03830Mutter CSG-6700/-680
96 Echo Clip CS-4010/4601/800116-433028-11030Clip CS-4010/4601/8001
97 Echo Kettenspannschraube16-433016-11031Kettenspannschraube
98 16-433014-02830Kettenspanner CS-6701/8000/
109 16-433105-12331Kettenbrenshebel
110 16-433134-12330Stehbolzen
111 16-433114-12330Feder
112 16-433119-12330Anschlag
117 16-433310-12330Deckel Produktion eingestellt
121 1635184012330
122 16-900600-00006Scheibe
123 16-433013-12332Führungsblech
124 16-433012-12331Führungsblech
125 16-900220-03006Schraube
127 1643301012331
128 16-V265-000200Mutter 452GS
129 16-890021-03931Aufkleber
130 16-433025-12330Plastikschutz
29 1614580615230
30 16-900240-05035Schraube Produktion
31 1614586215230
32 1614586315230
33 16-145643-03730Schraube Produktion
34 1614587112330
37 16-101579-12330Platte Produktion eingestellt
58 16-159010-12530Zündkerze
101 16-900105-05012Schraube 452GS/DH2200ST
102 16-880210-12330Anschlagkralle Produktion
103 16-900500-00005Mutter PPT-300ES/T-226 EDR-
113 16-433115-12330Hülse
114 16-433117-12330Verbindungsstück
115 16-433312-12330Gummischutz
116 16-433313-12330Staubschutz
118 16-433142-12330Einstellblech
119 16-433123-12330Bremsband
120 16-433144-12330Halteblech
Rasen
Bankeinzug, MasterCard, Visa, American Express, PayPal, Nachnahme, Vorauskasse, Sofortüberweisung
Qualitätsmanagement
Informieren Sie uns, wenn Sie einen Fehler gefunden haben.