Einstellungen Computer

Echo CS-350TES - Chainsaw, S/N: C24126001001 - C24126999999 Engine, Engine Housing Ersatzteile

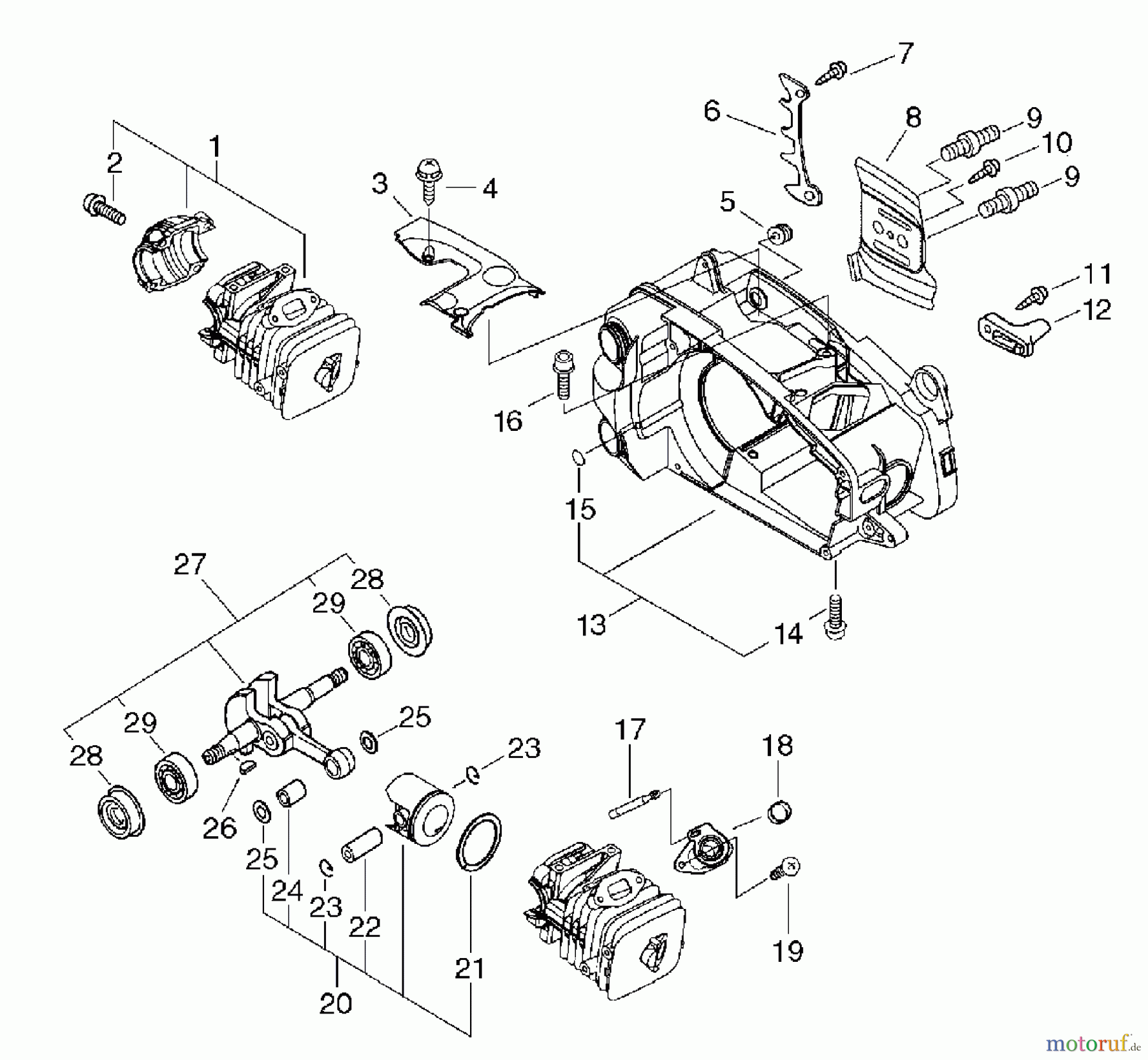
Engine, Engine Housing CS-350TES - Echo Chainsaw, S/N: C24126001001 - C24126999999

 Echo Sägen, Kettensägen CS-350TES - Echo Chainsaw, S/N: C24126001001 - C24126999999 Engine, Engine Housing

Hier finden Sie die Ersatzteilzeichnung für Echo Sägen, Kettensägen CS-350TES - Echo Chainsaw, S/N: C24126001001 - C24126999999 Engine, Engine Housing. Wählen Sie das benötigte Ersatzteil aus der Ersatzteilliste Ihres Echo Gerätes aus und bestellen Sie einfach online. Viele Echo Ersatzteile halten wir ständig in unserem Lager für Sie bereit.

Rasen
Bankeinzug, MasterCard, Visa, American Express, PayPal, Nachnahme, Vorauskasse, Sofortüberweisung
Datenschutzerklärung Impressum
Qualitätsmanagement
Informieren Sie uns, wenn Sie einen Fehler gefunden haben.