Echo CS-302 - Chainsaw Oiler, Auto Ersatzteile
Oiler, Auto CS-302 - Echo Chainsaw

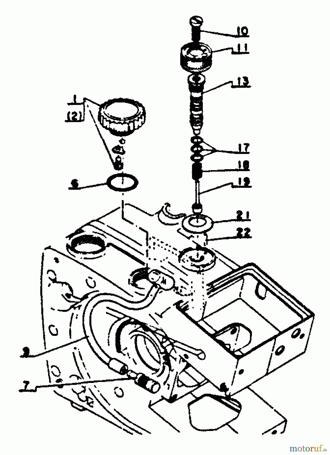
Hier finden Sie die Ersatzteilzeichnung für Echo Sägen, Kettensägen CS-302 - Echo Chainsaw Oiler, Auto. Wählen Sie das benötigte Ersatzteil aus der Ersatzteilliste Ihres Echo Gerätes aus und bestellen Sie einfach online. Viele Echo Ersatzteile halten wir ständig in unserem Lager für Sie bereit.




