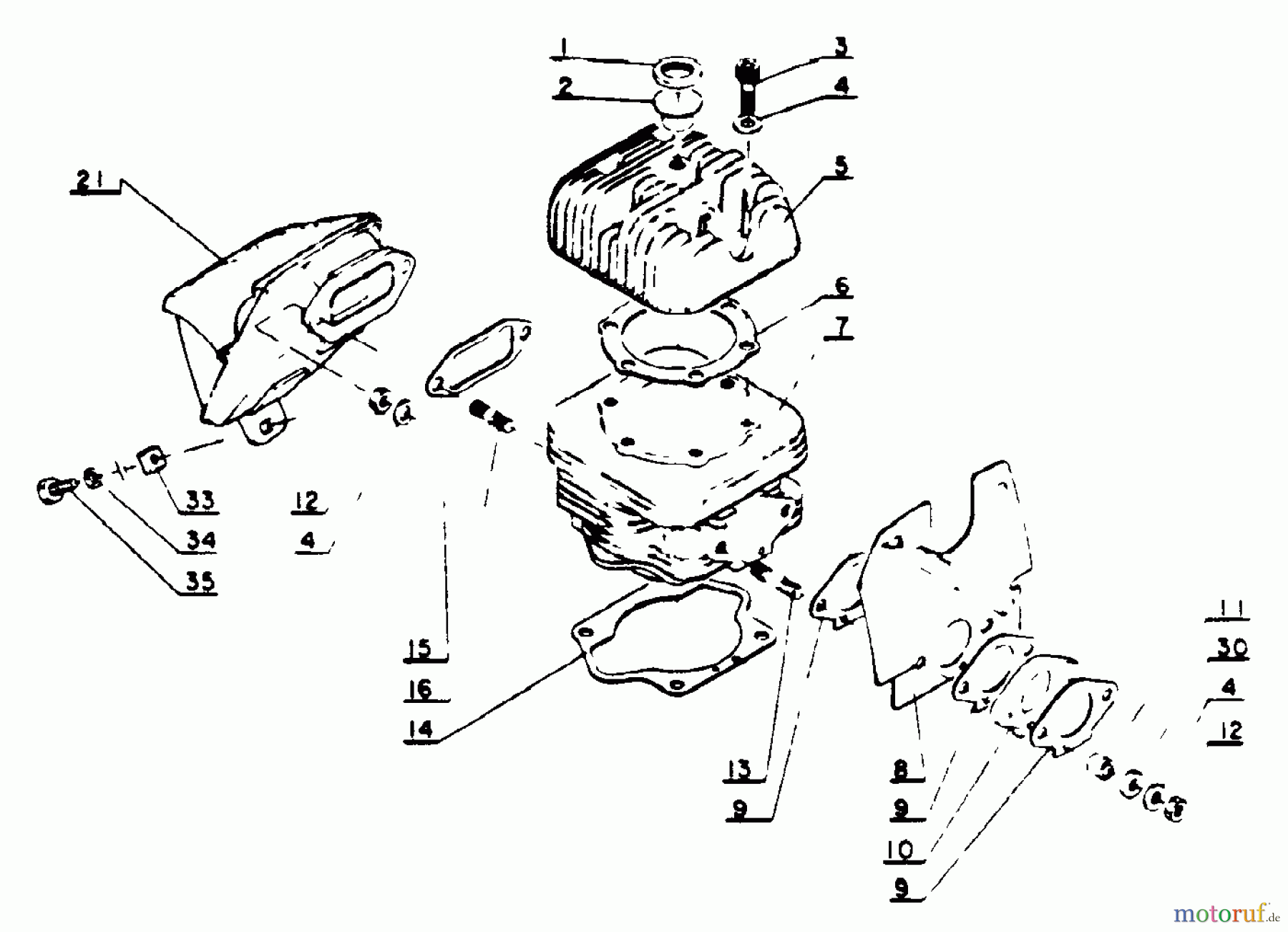
Echo CS-100 - Chainsaw Engine, Exhaust Ersatzteile
Engine, Exhaust CS-100 - Echo Chainsaw

Hier finden Sie die Ersatzteilzeichnung für Echo Sägen, Kettensägen CS-100 - Echo Chainsaw Engine, Exhaust. Wählen Sie das benötigte Ersatzteil aus der Ersatzteilliste Ihres Echo Gerätes aus und bestellen Sie einfach online. Viele Echo Ersatzteile halten wir ständig in unserem Lager für Sie bereit.


Qualitätsmanagement
Informieren Sie uns, wenn Sie einen Fehler gefunden haben.

