Echo EG-1500 - Portable Generator, S/N: 00000 - 03796 Control Device Ersatzteile
Control Device EG-1500 - Echo Portable Generator, S/N: 00000 - 03796

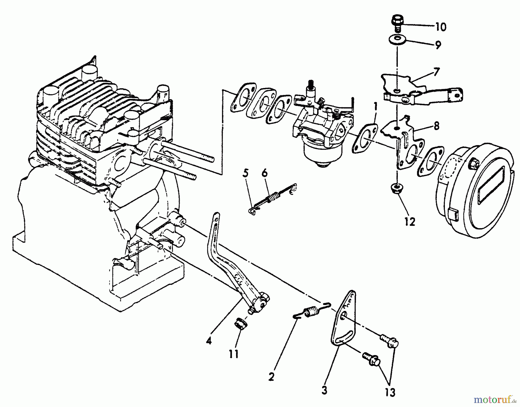
Hier finden Sie die Ersatzteilzeichnung für Echo Stromerzeuger EG-1500 - Echo Portable Generator, S/N: 00000 - 03796 Control Device. Wählen Sie das benötigte Ersatzteil aus der Ersatzteilliste Ihres Echo Gerätes aus und bestellen Sie einfach online. Viele Echo Ersatzteile halten wir ständig in unserem Lager für Sie bereit.
| BildNr | Artikel Nummer | Bezeichnung | |
| 1 | 1699999999999 | ||
| 2 | 16Y16061066011 | ||
| 3 | 16Y16097066120 | ||
| 4 | 16Y16061066151 | ||
| 5 | 16Y16061066201 | ||
| 6 | 16Y16071066220 | ||
| 7 | 16Y16077066300 | ||
| 8 | 16Y16077066330 | ||
| 9 | 16Y16067066350 | ||
| 10 | 16Y26106060122 | ||
| 11 | 16Y26366060002 | ||
| 12 | 16Y26366060002 | ||
| 13 | 16Y26476060142 | ||



