Zurück zu
motoruf
Warenkorb

Ersatzteillisten für Toro Roth / TORO Trommel




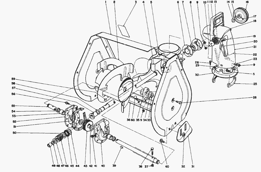
Pos.BezeichnungErsatzteilnummer
Housing-Auger (Incl. ref.14-8119
Ersatzteilliste


Pos.BezeichnungErsatzteilnummer
2Auger-R.H.74-1600
Auger-L.H.74-1590
3Decal-Auger Warning53-7670
4Shaft & Impeller37-6990
5Carriage Bolt3230-18
6
7Lager63-3450
8
9MUTTER3296-29
10Scheibe3290-340
11Scheibe3256-68
12Sicherungsscheibe55-8950
13Scheibe20-4320
14Scheibe3-0737
15Keil3257-5
16Keilriemenscheibe37-6890
17Schraube3242-4
18Leitblech56-2680
19Bolzen3230-22
20Auswurfschutz56-2670
21Discharge Chute Assembly (Incl. Ref.13-7979
Chute-Discharge (Incl. Ref.12-8749
22Decal-Danger Chute (Model No. 38500)63-3740
Decal-Discharge63-3760
23Scheibe3256-23
25Fuehrungsstueck37-6490
26Schraube32144-70
28Schraube27-0220
Gebrauchsanweisungen
Toro
Impressum
(C) by motoruf