Zurück zu
>
Roth / TORO
>
Handgeräte
>
Rasenmäher
>
2-Takt Radantrieb
>
237/22036
>
0000001
>
Teilemotor (Modell-Nr. 47PK9-3)
Ersatzteillisten für Toro Roth / TORO Teilemotor (Modell-Nr. 47PK9-3)
Pos.
Bezeichnung
Ersatzteilnummer
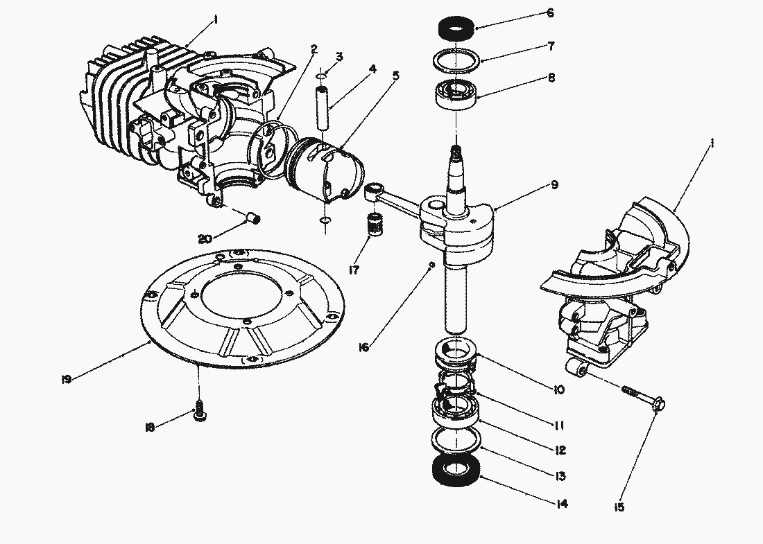
1
KURBELGEH. MIT ZYLINDER
81-2800
2
KOLBENRINGSATZ
81-0590
3
SICHERUNG
81-0620
4
KOLBENBOLZEN
81-0600
5
KOLBEN
81-2140
6
SIMMERRING
81-0720
7
SCHEIBE
81-0710
8
LAGER
81-0690
9
Kurbelwelle Innengewinde
81-4680
10
REGLERRING
81-0770
11
REGLERHALTER
81-0750
12
LAGER
81-0700
13
SCHEIBE
81-0730
14
SIMMERRING
81-0740
15
SCHRAUBE
81-0540
16
STIFT
81-0760
17
PLEUELLAGER
81-0610
18
SCHRAUBE
81-0570
19
MOTORPLATTE
81-0560
20
SICHERUNG
81-0620
Short-Block
12-8099
Gebrauchsanweisungen
Toro
Roth / TORO
Aufsitzmäher
Handgeräte
Kehrmaschinen
Schneefräsen
Sauger/Bläser
Rasenmäher
Grasfangvorrichtungen
4-Takt Radantrieb
4-Takt
2-Takt Radantrieb
295/26643
295/26643 B
295/26640 BC
295/26640 B
287/20916B
277
255/22700 BC
255/22700
239
237/22045
237/22045 B
237/22044 BC
237/22036
2000001
1000001
0000001
Vergaser (Modell-Nr. 47PK9-3)
Starter (Modell-Nr. 47PK9-3)
Regler (Modell-Nr. 47PK9-3)
Zündung (Modell-Nr. 47PK9-3)
Auspuff (Modell-Nr. 47PK9-3)
Teilemotor (Modell-Nr. 47PK9-3)
Seitauswurf Modell-Nr. 59110 (wahlw.)
Metall-Fangvorrichtung (Modell 22099)
Fangkorb Nr. 11-5609
Kraftstofftank
Holm
Getriebegehäuse (Fortsetzung)
Getriebegehäuse
Motor
Gehäuse (Fortsetzung)
Gehäuse
237/22035
234
224
222/16212 WG
2-Takt
Elektro
Akku
Robin
Impressum
(C) by motoruf