Zurück zu
>
Roth / TORO
>
Handgeräte
>
Rasenmäher
>
2-Takt Radantrieb
>
237/22036
>
0000001
>
Regler (Modell-Nr. 47PK9-3)
Ersatzteillisten für Toro Roth / TORO Regler (Modell-Nr. 47PK9-3)
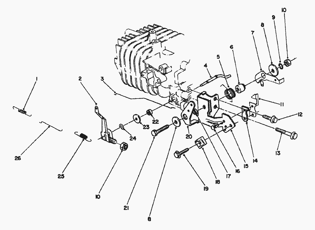
Pos.
Bezeichnung
Ersatzteilnummer
1
FEDER
81-0920
2
REGLERARM KPL.
81-5420
3
HEBEL
81-5410
4
REGLERWELLE
81-0840
5
FEDER
81-2460
6
DISTANZBUECHSE
81-1770
7
HEBEL
81-2850
8
SCHEIBE
81-1750
9
SCHEIBE
81-1450
10
MUTTER
81-0900
11
ANSCHLAG
81-1840
12
SCHRAUBE
81-1170
13
SCHRAUBE
81-0540
14
ISOLIERSTUECK
81-1830
15
HALTER
81-2420
16
Niete
81-4530
17
SCHEIBE
81-2470
18
BOWDENZUGKLEMME
81-2430
19
SCHRAUBE
50-0130
20
HEBEL
81-1710
21
SCHRAUBE
81-1730
22
SIMMERRING
81-0850
23
SCHEIBE
81-0860
24
SPRENGRING
81-0870
25
FEDER
81-2830
26
GESTAENGE
81-0910
Gebrauchsanweisungen
Toro
Roth / TORO
Aufsitzmäher
Handgeräte
Kehrmaschinen
Schneefräsen
Sauger/Bläser
Rasenmäher
Grasfangvorrichtungen
4-Takt Radantrieb
4-Takt
2-Takt Radantrieb
295/26643
295/26643 B
295/26640 BC
295/26640 B
287/20916B
277
255/22700 BC
255/22700
239
237/22045
237/22045 B
237/22044 BC
237/22036
2000001
1000001
0000001
Vergaser (Modell-Nr. 47PK9-3)
Starter (Modell-Nr. 47PK9-3)
Regler (Modell-Nr. 47PK9-3)
Zündung (Modell-Nr. 47PK9-3)
Auspuff (Modell-Nr. 47PK9-3)
Teilemotor (Modell-Nr. 47PK9-3)
Seitauswurf Modell-Nr. 59110 (wahlw.)
Metall-Fangvorrichtung (Modell 22099)
Fangkorb Nr. 11-5609
Kraftstofftank
Holm
Getriebegehäuse (Fortsetzung)
Getriebegehäuse
Motor
Gehäuse (Fortsetzung)
Gehäuse
237/22035
234
224
222/16212 WG
2-Takt
Elektro
Akku
Robin
Impressum
(C) by motoruf