Zurück zu
>
Roth / TORO
>
Handgeräte
>
Schneefräsen
>
einstufig
>
CCR 2000
>
618/38185 C
>
8000001
>
StarterMotor & Schalter Gehäuse
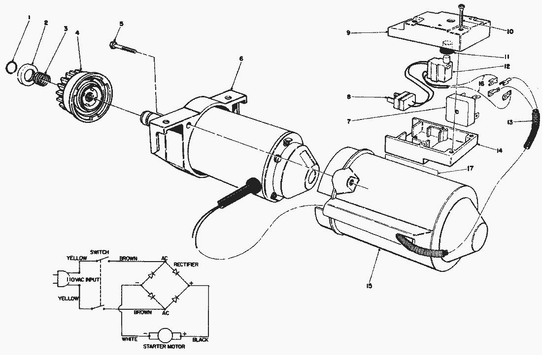
Ersatzteillisten für Toro Roth / TORO StarterMotor & Schalter Gehäuse
Pos.
Bezeichnung
Ersatzteilnummer
Starter Motor Assembly (Incl. Ref.
61-4601
Starter Motor Assembly (Incl. Ref.
61-4600
Pos.
Bezeichnung
Ersatzteilnummer
1
Seegerring
61-4680
2
Buechse
61-4670
3
Feder
61-4690
4
Pinion Assembly
61-4700
5
Screw-Plastite
61-4640
7
Gleichrichter
37-7600
8
Plug
36-8370
9
Cap-Switch Housing
61-4840
9
Cap-Switch Housing (Model No. 38185C only)
66-1760
10
Plastite Screw
61-4830
11
Abdeckkappe
61-4810
12
Schalter
61-4820
13
Cable Cover
61-4860
14
Base-Switch Housing
61-4850
14
Base-Switch Housing (Model No. 38185C only)
66-1750
15
Motorgehaeuse
61-4620
16
Wire-Switch to Rectifier
36-8360
17
Decal-UL (Model No. 38185)
61-4440
17
Decal-CSA (Model No. 38185C)
61-4460
Cord-7 Ft.
28-9170
Gebrauchsanweisungen
Toro
Roth / TORO
Aufsitzmäher
Handgeräte
Kehrmaschinen
Schneefräsen
Zubehör
zweistufig
einstufig
Snow Commander
CCR 3650 GTS
CCR 3000
CCR 2450
CCR 2400
CCR 2000
618/38186
618/38185 C
9000001
8000001
Starter
Regler
Auspuff
Vergaser
Schwungrad & Zündspule
Teilemotor
Holm
StarterMotor & Schalter Gehäuse
Betätigung, Paneele & Abdeckung
Motor & Hauptrahmen
Rotor
Grassauswurf
Gehäuse (Fortsetzung)
Gehäuse
618/38181
618/38180 C
CR 1000
CR 20
CR 20 R
S 620
S 200
CCR Powerlite
Sauger/Bläser
Rasenmäher
Robin
Impressum
(C) by motoruf