Zurück zu
>
Roth / TORO
>
Handgeräte
>
Schneefräsen
>
einstufig
>
CCR 2000
>
618/38185 C
>
8000001
>
Regler
Ersatzteillisten für Toro Roth / TORO Regler
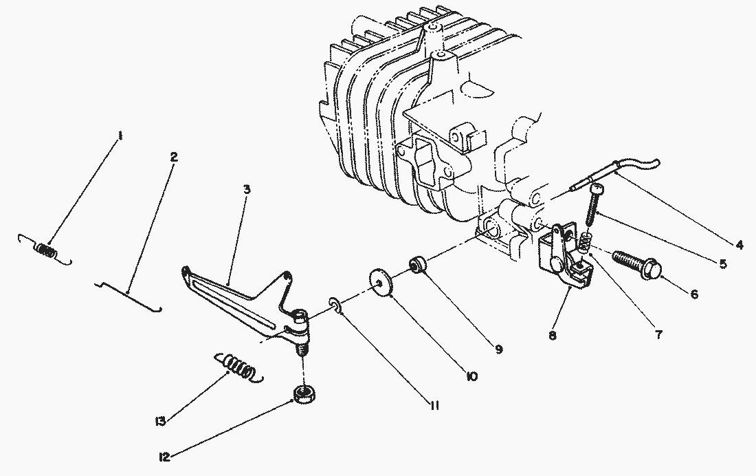
Pos.
Bezeichnung
Ersatzteilnummer
1
Feder
81-0440
2
Gestaenge
81-0430
3
Reglerarm
81-4650
4
Reglerwelle
81-2880
5
Screw
81-2890
6
SCHRAUBE
81-0540
7
Feder
81-2900
8
Bracket-Governor Spring
81-0370
9
SIMMERRING
81-0850
10
SCHEIBE
81-0860
11
SPRENGRING
81-0870
12
MUTTER
81-0900
13
Reglerfeder
81-0360
Gebrauchsanweisungen
Toro
Roth / TORO
Aufsitzmäher
Handgeräte
Kehrmaschinen
Schneefräsen
Zubehör
zweistufig
einstufig
Snow Commander
CCR 3650 GTS
CCR 3000
CCR 2450
CCR 2400
CCR 2000
618/38186
618/38185 C
9000001
8000001
Starter
Regler
Auspuff
Vergaser
Schwungrad & Zündspule
Teilemotor
Holm
StarterMotor & Schalter Gehäuse
Betätigung, Paneele & Abdeckung
Motor & Hauptrahmen
Rotor
Grassauswurf
Gehäuse (Fortsetzung)
Gehäuse
618/38181
618/38180 C
CR 1000
CR 20
CR 20 R
S 620
S 200
CCR Powerlite
Sauger/Bläser
Rasenmäher
Robin
Impressum
(C) by motoruf