Zurück zu
>
Roth / TORO
>
Aufsitzmäher
>
Traktor
>
265 H
>
504/72064
>
6900001
>
Hydraulikbetätigung
Ersatzteillisten für Toro Roth / TORO Hydraulikbetätigung
Pos.
Bezeichnung
Ersatzteilnummer
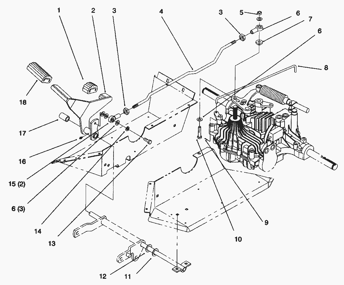
1
Pedalgummi
92-6903
2
Pedal
92-6913-03
3
Mutter
3220-3
4
Gestaenge
92-7018
5
Mutter
3296-39
6
Scheibe
3256-24
7
Buechse
92-6962
8
Gestange
92-6970
9
Splint
3272-2
10
Schraube
323-10
11
Scheibe
94-6875
12
Scheibe
9202154
13
Schraube
323-7
14
Federring
3253-5
15
Kugelkopf
92-7008
16
Fettnippel
302-26
17
Distanzbuechse
92-6966
18
Pedalgummi
92-6902
Gebrauchsanweisungen
Toro
Roth / TORO
Aufsitzmäher
Traktor
264-6
246 HE
244-5
212-H
212-5
17-44 HXLE
16-44 HXL
16-38 HXL
16-38 XLE
15-44 HXL
15-38 HXL
14-38 HXL
14-38 XL
13-38 HXL
13-38 XL
13-32 XLE
12-38 HXL
12-38 XL
12-32 XL
264 H
265 H
504/72064
6900001
Haube mit Grill
Armaturenbrett
Lenkrad mit Verstellung
untere Lenkung
Vorderachse
Sitz
Kotflügel & Fußauflage
Kraftstofftank & Hydrauliktank
Einzylinder Motor, Auspuff, und Zapfwelle
Kupplung
Batterie
Haubenhalter & Hitzeschutz
Aushubhebel & Schnitthöhe
Rahmen
Hydraulik Antrieb
Hydraulikbremse
Hydraulikbetätigung
Hydraulik-Getriebeachse
Hinterrad
Kurbelwelle
Kurbelgehäuse
Ölwanne, Schmierung
Zylinderkopf, Ventil, Entlüftung
Zündung, Elektrik
Gebläsegehäuse & Leitbleche
Starteinrichtung
Kraftstoffsystem
Motor Betätigungen
Lufteinlaß/Filter
Auspuff
Getriebeachs-Gehäuse
Mittleres Gehäuse
Pumpenwelle
Motorwelle
Wählhebel
Bypass
Dämpfer
Neutralzentrierung
Bremssicherung
Differentialgetriebe
Ritzel
Getriebewelle
Bremse
7900001
8900001
8900600
504/72070
267 H
268 H
270 H
520 xi
520 Lxi
523 Dxi
Rider
Mähwerke
Zubehör
Handgeräte
Robin
Impressum
(C) by motoruf