| Pos. | Bezeichnung | Ersatzteilnummer | |
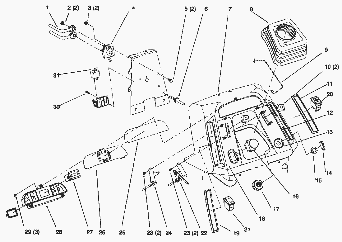
| 1 | Batteriekabel | 92-6989 |
| 2 | Mutter | 32149-2 |
| 3 | MUTTER | 3296-42 |
| 4 | Solenoid-12 Volt (Only On: 72043, 72042, 72063, 72062) | 92-9845 |
| 5 | Schraube | 321-4 |
| 6 | Gummibuchse | 237-141 |
| 7 | Armaturenbrett | 94-1894 |
| 8 | Boot-Steering | 92-6680 |
| 9 | Befestigungsclip | 94-2966 |
| 10 | Knopf | 66-0120 |
| 11 | Cover-Slot RH (Only On: 72043, 72063, 72083, 72103) | 92-6796 |
| 13 | Decal-Throttle/Ignition (Only On: 72042, 72043, 72083) | 92-6721 |
| 13 | Klebeschild | 93-7255 |
| 14 | Key-Switch | 62-7770 |
| 15 | Nut | 700919 |
| 16 | Schalter-Messerkuppl. | 93-9998 |
| 17 | Zuendschloss | 92-6785 |
| 18 | Decal-Choke/PTO (Only On: 72042, 72043, 72083) | 92-6720 |
| 18 | Klebeschild | 93-7256 |
| 19 | Cover-Slot LH | 92-6797 |
| 22 | Gaszug | 92-6782 |
| 23 | Schraube | 32144-32 |
| 24 | Chokzug | 92-6781 |
| 25 | Decal-Dash Lens (Only On: 72042, 72062, 72063) | 92-6975 |
| 25 | Klebeschild | 94-1248 |
| 26 | Lens-Dash | 92-6705 |
| 27 | Betriebsstundenzaehler | 94-4208 |
| 28 | Lampenpaneele | 92-6709 |
| 28 | Housing-Indicator Light (Only On: 72042, 72062, 72063) | 92-6732 |
| 29 | Schraube | 32104-118 |
| 30 | Schraube | 32144-8 |
| 31 | Schaltrelais | 116397 |