Zurück zu
>
Roth / TORO
>
Handgeräte
>
Schneefräsen
>
zweistufig
>
1132 PowerShift
>
630/38580
>
2000001
>
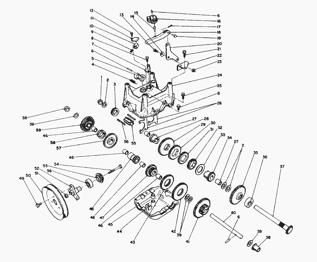
Getriebe Nr. 66-8030
Ersatzteillisten für Toro Roth / TORO Getriebe Nr. 66-8030
Pos.
Bezeichnung
Ersatzteilnummer
1
Buechse
62-1180
2
Washer-Thrust
252-59
3
Scheibe
62-0430
4
Feder
63-2920
5
Hebel
62-0880
6
Stift
32121-106
7
Kabelhalter
62-1740
8
Schraube
32144-4
9
Druckfeder
63-2890
10
Ausloeskopf
62-1020
11
Abdeckung
62-1690
12
Screw-Pan Hd.
32104-71
13
Bolzen
63-3410
14
Scheibe
3290-477
15
Stift
63-2190
16
Hebel
62-0870
17
Splint
3272-1
18
Getriebehebel
62-0860
19
Stift
283-3
20
Kniehebel
63-2600
21
Screw-Hex Washer Hd.
32104-95
22
Bracket-Bellcrank
62-1190
23
MUTTER
3296-42
24
Getriebegehaeuse
62-0490
25
Schraube
32144-86
26
Schiebegabel
62-1040
27
Buechse
62-1350
28
Fuehrungsbuechse
62-0320
29
Zahnrad
62-0240
30
Zahnrad
62-0220
31
Zahnrad
62-0200
32
Zahnrad
62-0250
33
Scheibe
63-2280
34
Fuehrungsbuechse
62-0340
35
Zahnrad
62-0370
36
Kugellager
38-7820
37
Antriebswelle
62-1080
38
Buechse
62-1170
39
Scheibe
257-10
40
Welle
62-0330
41
Zahnrad
62-0360
42
Zahnrad
62-0260
43
Zahnrad
62-0210
44
Getriebegehaeuse
62-0480
Gebrauchsanweisungen
Toro
Roth / TORO
Aufsitzmäher
Handgeräte
Kehrmaschinen
Schneefräsen
Zubehör
zweistufig
1332 PowerShift
1232 PowerShift
1132 PowerShift
630/38580
9000001
8000001
5900001
4900001
3900001
2000001
12 V Startermotor Nr. 66-7700 (wahlw.)
110V Elektrostarter Nr. 37-4630 (wahlw.)
Motor B&S Modell 252416 Typ 0756-01 & 0757-01 (Fortsetzung)
Motor B&S Modell 252416 Typ 0757-01 (Modell 38566)
Motor B&S Modell 252416 Typ 0756-01 (Modell 38580)
Motor B&S Modell 252416 Typ 0756-01 & 0757-01
Differential Bausatz Modell-Nr. 38038 (wahlw.)
Wetterschutz Nr. 68-9500 (wahlw.)
Beleuchtungssatz Nr. 66-7940 (wahlw.)
Seiten-Schneidschiene (wahlw.)
Holm
Antrieb Gestänge
Antrieb
Getriebe Nr. 66-8030 (Fortsetzung)
Getriebe Nr. 66-8030
Motor
Trommel Getriebegehäuse Nr. 74-1562
Gehäuse (Fortsetzung)
Gehäuse & Auswurf
1000001
0000001
630/38566
630/38565
1132
1028 PowerShift
924 PowerShift
828 PowerShift
824 PowerShift
824 XL
824
724
624 PowerShift
622
521
3521
einstufig
Sauger/Bläser
Rasenmäher
Robin
Impressum
(C) by motoruf