Zurück zu
>
Roth / TORO
>
Handgeräte
>
Schneefräsen
>
zweistufig
>
1132 PowerShift
>
630/38580
>
2000001
>
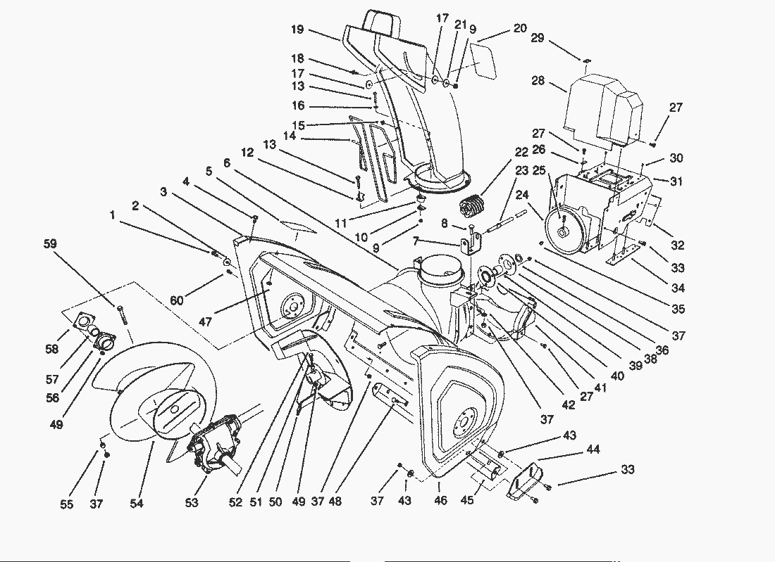
Gehäuse (Fortsetzung)
Ersatzteillisten für Toro Roth / TORO Gehäuse (Fortsetzung)
Pos.
Bezeichnung
Ersatzteilnummer
30
Pop-Nieten
3269-23
31
Frame-Engine
66-6980
32
Cover-Engine Frame
62-1440
33
Schraube
3234-5
34
Motorplatte
68-4150
Plate-Engine Stud R.H.
68-4140
35
Keil
3257-23
36
Scheibe
252-80
37
MUTTER
3296-29
38
39
Lager
63-3450
40
41
Cover-Belt (Lower)
62-1400
42
Scheibe
3256-23
43
Scheibe
52-2861
44
Skid Assembly
74-1440
45
Blade-Scraper
66-7760
46
Plate-Side L.H.
66-7831
47
Mutter
3296-47
48
Schloss Schraube
3230-23
49
MUTTER
3296-42
50
Impeller
66-7920
51
Distanzstueck
66-8010
52
Schraube
321-44
53
Getriebe Kpl.
74-1562
54
Auger-R.H.
63-2752
Raeumschnecke
63-2762
Auger-R.H.(Model No. 38565)
68-7452
Auger-L.H.(Model No. 38565)
68-7462
55
Buechse
25-5090
56
Lagerflansch
20-0990
57
Gleitlager
20-0980
58
Lagerflansch
20-1000
59
Bolt Auger
17-7030
60
SCHRAUBE
321-3
Lager Mit Deckel
12-8789
Gebrauchsanweisungen
Toro
Roth / TORO
Aufsitzmäher
Handgeräte
Kehrmaschinen
Schneefräsen
Zubehör
zweistufig
1332 PowerShift
1232 PowerShift
1132 PowerShift
630/38580
9000001
8000001
5900001
4900001
3900001
2000001
12 V Startermotor Nr. 66-7700 (wahlw.)
110V Elektrostarter Nr. 37-4630 (wahlw.)
Motor B&S Modell 252416 Typ 0756-01 & 0757-01 (Fortsetzung)
Motor B&S Modell 252416 Typ 0757-01 (Modell 38566)
Motor B&S Modell 252416 Typ 0756-01 (Modell 38580)
Motor B&S Modell 252416 Typ 0756-01 & 0757-01
Differential Bausatz Modell-Nr. 38038 (wahlw.)
Wetterschutz Nr. 68-9500 (wahlw.)
Beleuchtungssatz Nr. 66-7940 (wahlw.)
Seiten-Schneidschiene (wahlw.)
Holm
Antrieb Gestänge
Antrieb
Getriebe Nr. 66-8030 (Fortsetzung)
Getriebe Nr. 66-8030
Motor
Trommel Getriebegehäuse Nr. 74-1562
Gehäuse (Fortsetzung)
Gehäuse & Auswurf
1000001
0000001
630/38566
630/38565
1132
1028 PowerShift
924 PowerShift
828 PowerShift
824 PowerShift
824 XL
824
724
624 PowerShift
622
521
3521
einstufig
Sauger/Bläser
Rasenmäher
Robin
Impressum
(C) by motoruf