Häcksler 09862 (2009) Fahrantrieb Ersatzteile
Fahrantrieb 09862 (2009)

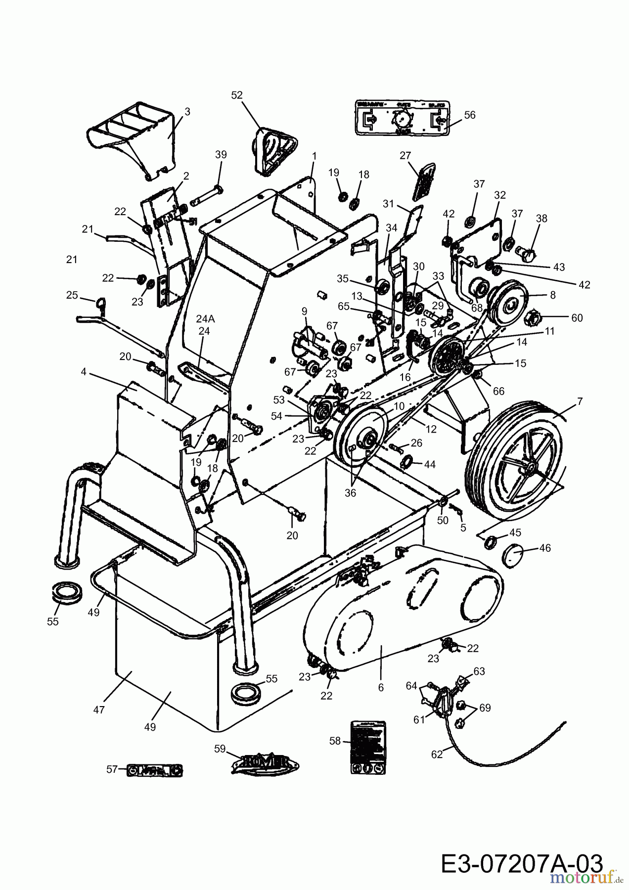
Hier finden Sie die Ersatzteilzeichnung für Häcksler Chip-N-Shred 09862 (2009) Fahrantrieb. Wählen Sie das benötigte Ersatzteil aus der Ersatzteilliste Ihres Häcksler Gerätes aus und bestellen Sie einfach online. Viele Häcksler Ersatzteile halten wir ständig in unserem Lager für Sie bereit.


Qualitätsmanagement
Informieren Sie uns, wenn Sie einen Fehler gefunden haben.

