Einstellungen Computer

Troy-Bilt TB 2654 14AR94KK066 (2015) Schaltplan Ersatzteile

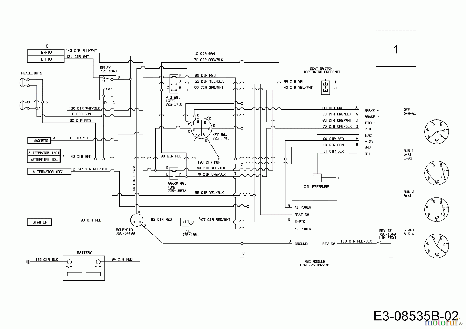
Schaltplan 14AR94KK066 (2015)

 Troy-Bilt Gartentraktoren TB 2654 14AR94KK066  (2015) Schaltplan

Hier finden Sie die Ersatzteilzeichnung für Troy-Bilt Gartentraktoren TB 2654 14AR94KK066 (2015) Schaltplan. Wählen Sie das benötigte Ersatzteil aus der Ersatzteilliste Ihres Troy-Bilt Gerätes aus und bestellen Sie einfach online. Viele Troy-Bilt Ersatzteile halten wir ständig in unserem Lager für Sie bereit.

BildNrArtikel NummerBezeichnung
1 725-05036
Rasen
Bankeinzug, MasterCard, Visa, American Express, PayPal, Nachnahme, Vorauskasse, Sofortüberweisung
Datenschutzerklärung Impressum
Qualitätsmanagement
Informieren Sie uns, wenn Sie einen Fehler gefunden haben.