Einstellungen Computer

Cub Cadet Tank LZ 60 Commercial 53BH2PTD330 (2015) Schaltplan Ersatzteile

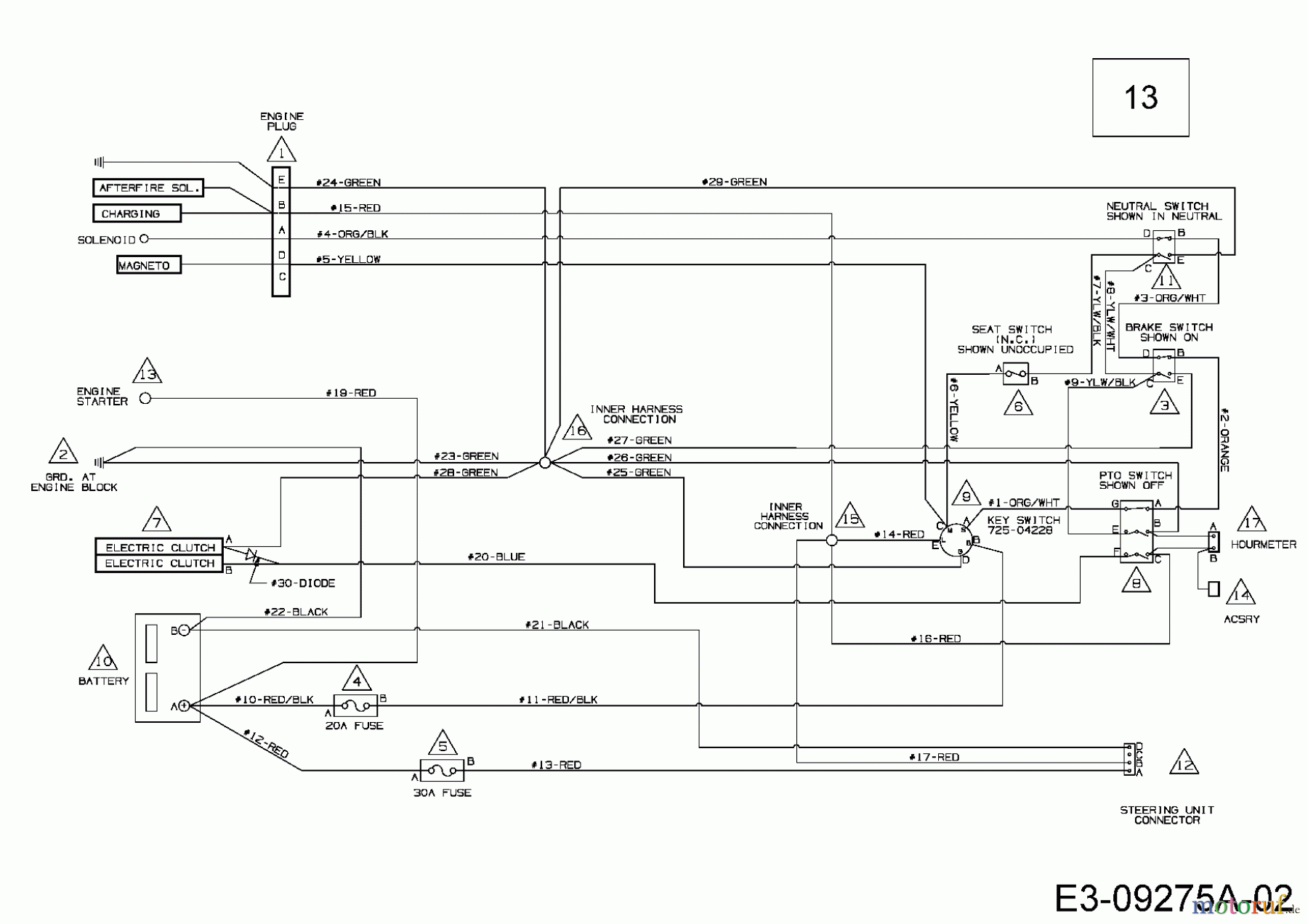
Schaltplan 53BH2PTD330 (2015)

 Cub Cadet Zero Turn Tank LZ 60 Commercial 53BH2PTD330  (2015) Schaltplan

Hier finden Sie die Ersatzteilzeichnung für Cub Cadet Zero Turn Tank LZ 60 Commercial 53BH2PTD330 (2015) Schaltplan. Wählen Sie das benötigte Ersatzteil aus der Ersatzteilliste Ihres Cub Cadet Gerätes aus und bestellen Sie einfach online. Viele Cub Cadet Ersatzteile halten wir ständig in unserem Lager für Sie bereit.

BildNrArtikel NummerBezeichnung
13 725-06220KABELBAUM KOHLER/KAWA
Rasen
Bankeinzug, MasterCard, Visa, American Express, PayPal, Nachnahme, Vorauskasse, Sofortüberweisung
Datenschutzerklärung Impressum
Qualitätsmanagement
Informieren Sie uns, wenn Sie einen Fehler gefunden haben.