Einstellungen Computer

MTD WST 5522 25A-262E678 (2015) Deflektor, Keilriemen, Rahmen, Schneidfaden Ersatzteile

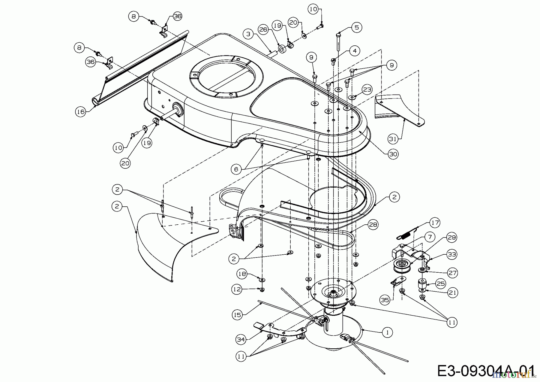
Deflektor, Keilriemen, Rahmen, Schneidfaden 25A-262E678 (2015)

 MTD Motorfadenmäher WST 5522 25A-262E678  (2015) Deflektor, Keilriemen, Rahmen, Schneidfaden

Hier finden Sie die Ersatzteilzeichnung für MTD Motorfadenmäher WST 5522 25A-262E678 (2015) Deflektor, Keilriemen, Rahmen, Schneidfaden. Wählen Sie das benötigte Ersatzteil aus der Ersatzteilliste Ihres MTD Gerätes aus und bestellen Sie einfach online. Viele MTD Ersatzteile halten wir ständig in unserem Lager für Sie bereit.

Rasen
Bankeinzug, MasterCard, Visa, American Express, PayPal, Nachnahme, Vorauskasse, Sofortüberweisung
Datenschutzerklärung Impressum