MTD BM 87-35 25A-FM5B678 (2014) Fahrantrieb, Mähantrieb Ersatzteile
Fahrantrieb, Mähantrieb 25A-FM5B678 (2014)

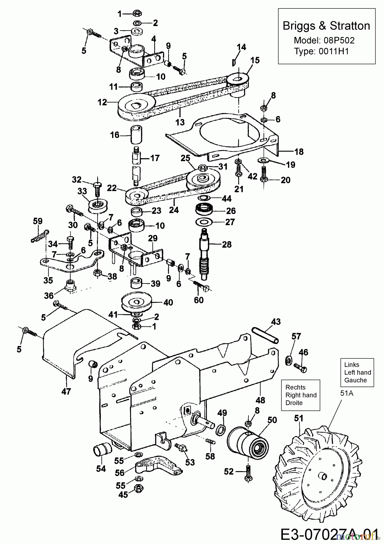
Hier finden Sie die Ersatzteilzeichnung für MTD Balkenmäher BM 87-35 25A-FM5B678 (2014) Fahrantrieb, Mähantrieb. Wählen Sie das benötigte Ersatzteil aus der Ersatzteilliste Ihres MTD Gerätes aus und bestellen Sie einfach online. Viele MTD Ersatzteile halten wir ständig in unserem Lager für Sie bereit.
Häufig benötigte MTD BM 87-35 25A-FM5B678 (2014) Fahrantrieb, Mähantrieb Ersatzteile


Qualitätsmanagement
Informieren Sie uns, wenn Sie einen Fehler gefunden haben.





